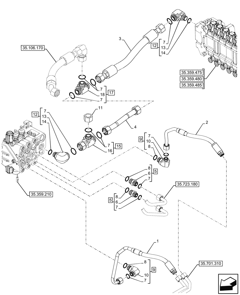
Запчасти Case 580SN (35.359.245) - VAR - 747864 - LOADER, BACKHOE, CONTROL VALVE, AUXILIARY, LINES (35) - HYDRAULIC SYSTEMS

Схема запчастей Case 580SN - (35.359.245) - VAR - 747864 - LOADER, BACKHOE, CONTROL VALVE, AUXILIARY, LINES (35) - HYDRAULIC SYSTEMS
35.723.180
18
14
7
7
12
10
7
6
14
13
7
13
11
17
16
7
7
1
15
4
8
7
2
5
3
9
7
8
6
8
10
9
8
7
5
12
35.359.210
35.106.170
35.359.485
35.359.475
35.359.480
35.701.310
FIT
1:1
100%

Артикул

Название

Примечание

Количество

1

84255714

TUBE

4N1 Port B, Loader Valve to Auxiliary Cylinder Line

1шт.

2

84281124

TUBE

4N1 Port A, Loader Valve to Auxiliary Cylinder Line

1шт.

3

84523970

HYDRAULIC HOSE,25.4mm ID x 538mm L, SAE 100R12

Pressure to Backhoe Valve

1шт.

4

84523969

HYD TUBE

Pressure to Loader, 257mm

1шт.

5

83962539

HYD CONNECTOR,1" - 14 ORFS x 1-1/16 - 12 ORB

ASSY, Incl 6, 7 (Qty 2), 8 (Qty 2)

2шт.

6

NSS

NOT SOLD SEPARAT

Connector, Incl in 5

2шт.

7

167266

O-RING,0.116" Thk x 0.924" ID, -912, Cl 6, 90 Duro

11шт.

8

9992069

O-RING,0.07" Thk x 0.614" ID, -16, Cl 6, 90 Duro

4шт.

9

9991973

ELBOW,1-14" ORFS x 1-1/16"-12 ORB

ASSY, Incl 7 (Qty 2), 8 (Qty 2), 10

2шт.

10

NSS

NOT SOLD SEPARAT

90° Elbow, Incl in 9

2шт.

11

9847690

CAP,1-7/16" - 12 ORFS

1шт.

12

9846956

90 ELBOW,90 Degree, 1-7/16"-12 x 1-1/16"-12, Adj, ORFS

ASSY, Incl 7 (Qty 2), 13, 14

2шт.

13

NSS

NOT SOLD SEPARAT

90° Elbow, Incl in 12

2шт.

14

9824050

O-RING,0.07" Thk x 0.926" ID, -21, Cl 6, 90 Duro

2шт.

15

86641295

TEE,1-7/16"-12 ORFS to Swivel

ASSY, Incl 7 (Qty 2), 16

1шт.

16

NSS

NOT SOLD SEPARAT

Tee, Incl in 15

1шт.

17

87016914

TEE,1 7/16"-12 ORFS

ASSY, Incl 7 (Qty 3), 18

1шт.

18

NSS

NOT SOLD SEPARAT

Tee, Incl in 17

1шт.

Выбрано товаров: 18