Запчасти Case 580SN (35.359.585) - 6-SPOOL, 7-SPOOL, 8-SPOOL, BACKHOE CONTROL VALVE, INLET SECTION, COMPONENTS (35) - HYDRAULIC SYSTEMS

Схема запчастей Case 580SN - (35.359.585) - 6-SPOOL, 7-SPOOL, 8-SPOOL, BACKHOE CONTROL VALVE, INLET SECTION, COMPONENTS (35) - HYDRAULIC SYSTEMS
9
7
6
13
3
12
4
3
16
11
10
5
2
1
8
14
15
FIT
1:1
100%

Артикул

Название

Примечание

Количество

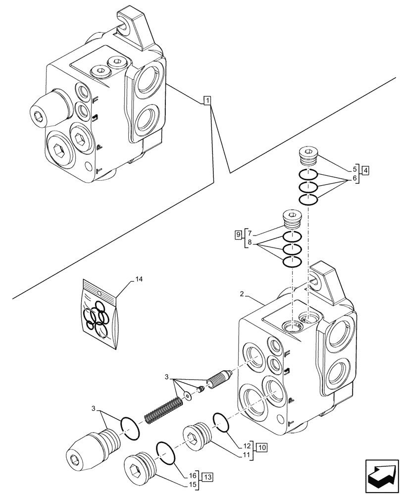
1

84278712

HYD VALVE SECTION

ASSY, Inlet, Incl 2 - 16

1шт.

2

NSS

NOT SOLD SEPARAT

Valve, Incl in 1

1шт.

3

84295095

KIT

Minimum Flushing Valve

1шт.

4

87752046

PLUG

ASSY, Incl 5, 6

1шт.

5

NSS

NOT SOLD SEPARAT

Plug, Incl in 4

1шт.

6

85821235

SEAL KIT

Backhoe Control Valve, Inlet Sections

1шт.

7

NSS

NOT SOLD SEPARAT

Plug, Incl in 9

1шт.

8

85821236

SEAL KIT

Backhoe Control Valve, Inlet Sections

1шт.

9

87752047

PLUG

ASSY, Incl 7, 8

1шт.

10

9841223

PLUG,1-1/16" - 12 ORB

ASSY, Incl 11, 12

1шт.

11

NSS

NOT SOLD SEPARAT

Plug, Incl in 10

1шт.

12

167266

O-RING,0.116" Thk x 0.924" ID, -912, Cl 6, 90 Duro

1шт.

13

87363628

PLUG,1 - 5/16" - 12

ASSY, Incl 15, 16

1шт.

14

85825477

SEAL KIT

Backhoe Control Valve, Inlet Sections

1шт.

15

NSS

NOT SOLD SEPARAT

Plug, Incl in 13

1шт.

16

167268

O-RING,0.116" Thk x 1.171" ID, -916, Cl 6, 90 Duro

1шт.

Выбрано товаров: 16