Запчасти Case 580SN (35.359.630) - 7 SPOOL, 8-SPOOL, BACKHOE CONTROL VALVE, HYD VALVE SECTION, COMPONENTS (35) - HYDRAULIC SYSTEMS

Схема запчастей Case 580SN - (35.359.630) - 7 SPOOL, 8-SPOOL, BACKHOE CONTROL VALVE, HYD VALVE SECTION, COMPONENTS (35) - HYDRAULIC SYSTEMS
6
5
2
3
1
4
3
4
11
11
7
3
6
9
3
8
7
10
3
5
12
FIT
1:1
100%

Артикул

Название

Примечание

Количество

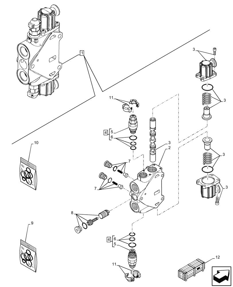
1

84278691

HYD VALVE SECTION

ASSY, BI-DIR Pilot Control, Incl 2 - 11

1шт.

2

NSS

NOT SOLD SEPARAT

Valve, Incl in 1

1шт.

3

85826344

KIT,Operation

1шт.

4

85812115

VALVE PRESSURE RELIE

ASSY, Maximum 220 bar, Incl 5, 6

2шт.

5

NSS

NOT SOLD SEPARAT

Valve, Incl in 4

2шт.

6

85811933

SEAL KIT,Secondary Valve

2шт.

7

85811938

KIT,Check Valve

2шт.

8

85819378

KIT

Compensator

1шт.

9

85824281

SEAL KIT,Control Valve Section, Complete

Backhoe Control Valve, Swing & Outlet Sections

1шт.

10

85819148

SEAL KIT,Between Control Valve Sections

1шт.

11

NSS

NOT SOLD SEPARAT

Protection Valve, Incl in 1

2шт.

12

47670289

SERVICE KIT

Dual Auxiliary, Incl 1 - 10

1шт.

Valid for 580N (Livery) NRC, 580SN (Livery) NRC, 590SN (Livery) NRC Models Only, W/ Standard Dipper and Pilot Control

1шт.

To See Full DIA KIT Composition Look for all the Figures Where the DIA KIT P/N Is Shown

1шт.

12

47670543

SERVICE KIT

Dual Auxiliary, Service, Incl 1 - 10

1шт.

Valid for 580N (Livery) NRC, 580SN (Livery) NRC, 590SN (Livery) NRC Models Only, W/ Extendable Dipper and Pilot Control

1шт.

To See Full DIA KIT Composition Look for all the Figures Where the DIA KIT P/N Is Shown

1шт.

Выбрано товаров: 17