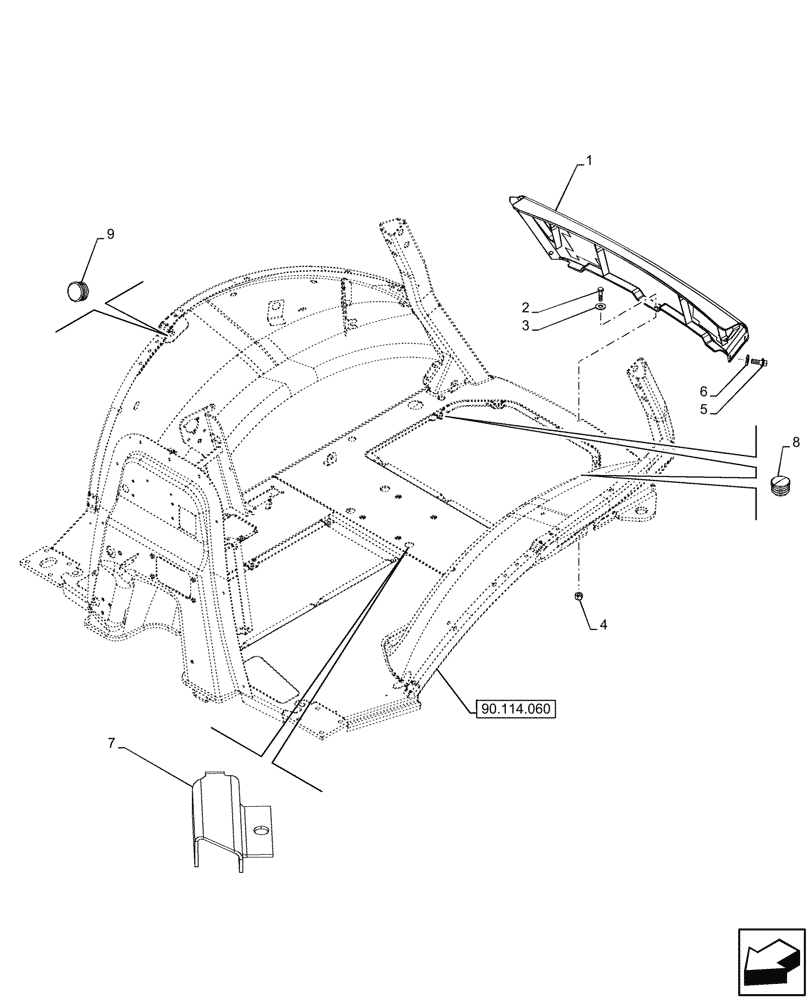
Запчасти Case 580SN (90.110.140) - VAR - 423001 - CANOPY, PLUGS, REAR, PANEL, MALAYSIAN (90) - PLATFORM, CAB, BODYWORK AND DECALS

Схема запчастей Case 580SN - (90.110.140) - VAR - 423001 - CANOPY, PLUGS, REAR, PANEL, MALAYSIAN (90) - PLATFORM, CAB, BODYWORK AND DECALS
90.114.060
3
4
5
1
7
6
8
2
9
FIT
1:1
100%

Артикул

Название

Примечание

Количество

1

86992977

PANEL

Rear Closure Canopy

1шт.

2

87310154

BOLT,Hex, M6 x 25, Cl. 8.8

1шт.

3

87310185

WASHER,9mm ID x 20mm OD x 1.6mm Thk

1шт.

4

832-10408

NUT,M8 x 1.25, Cl 8.8

1шт.

5

781-24820

SELF-TAP SCREW,Hex Flg, M8 x 1.25 x 20mm

4шт.

6

895-15008

WASHER,9mm ID x 20mm OD x 1.6mm Thk

4шт.

7

186351A1

GUARD

Seat Swing Haeness

1шт.

8

382298A1

PLUG

2шт.

9

411549A1

PLUG

1шт.

Выбрано товаров: 9