Запчасти Case 580SN (90.124.080) - VAR - 745160 - SEAT AIR SUSPENSION, VINYL, SWIVEL PIVOT, COMPONENTS (90) - PLATFORM, CAB, BODYWORK AND DECALS

Схема запчастей Case 580SN - (90.124.080) - VAR - 745160 - SEAT AIR SUSPENSION, VINYL, SWIVEL PIVOT, COMPONENTS (90) - PLATFORM, CAB, BODYWORK AND DECALS
90.124.100
3
5
1
5
3
4
2
2
3
3
3
90.124.070
FIT
1:1
100%

Артикул

Название

Примечание

Количество

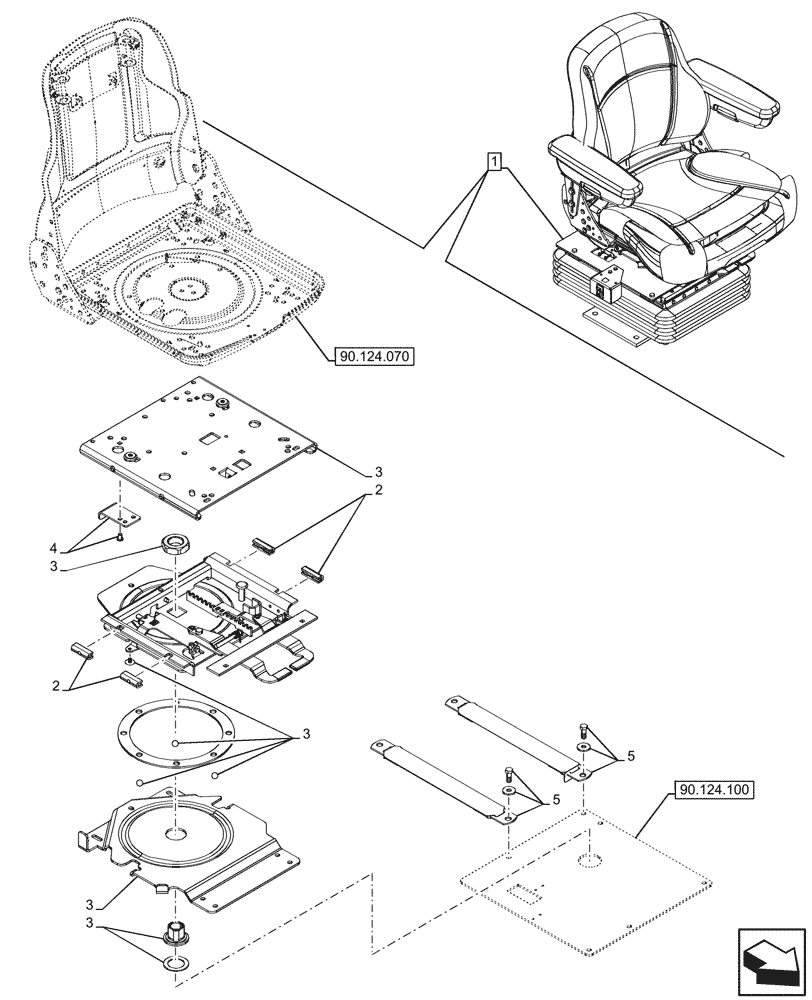
1

47939231

DRIVER SEAT

ASSY, Vinyl, Gray Fabric, Incl 2 - 5

1шт.

See also Driver Seat Components in Figures 55.512.270, 90.124.070, 90.124.090, 90.124.100

1шт.

2

300680A1

KIT

Slide Puck

1шт.

3

47919005

SLIDE

Swivel Assembly

1шт.

4

84174986

BRACKET

Front Stop

1шт.

5

87475826

SERVICE KIT

Tether Belt

1шт.

Выбрано товаров: 6