Запчасти Case 580SN (21.111.010) - VAR - 423060 - TRANSMISSION, SEMI-POWERSHIFT, 2WD (21) - TRANSMISSION

Схема запчастей Case 580SN - (21.111.010) - VAR - 423060 - TRANSMISSION, SEMI-POWERSHIFT, 2WD (21) - TRANSMISSION
39.100.040
5
4
1
11
12
5
7
9
2
5
10
10
8
7
9
6
7
7
8
3
13
11
4
33.110.030
55.101.040
55.101.040
21.103.020
55.022.040
21.152.010
55.031.050
21.700.040
23.314.040
55.024.050
55.101.020
55.101.020
55.023.010
10.001.010
23.314.060
55.020.010
21.700.030
21.111.030
39.100.070
39.100.090
55.021.010
FIT
1:1
100%

Артикул

Название

Примечание

Количество

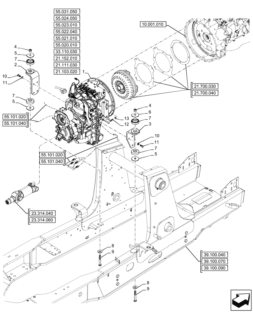
1

84327511

TRANSMISSION

ASSY, Semi-Powershift

1шт.

2

84567307

BRACKET

Transmission Mount LH

1шт.

3

84567310

BRACKET

Transmission Mount RH

1шт.

4

832-10416

NUT,M16 x 2, Cl 8

2шт.

5

47395221

WASHER,0.66" ID x 3" OD x 0.18" Thk

3шт.

6

47395114

WASHER,16.7mm ID x 76.2mm OD x 4.55m Thk, HTS

1шт.

7

84383342

MOUNT

55 Durometer

4шт.

8

86592702

WASHER,17mm ID x 45mm OD x 6mm Thk

2шт.

9

321246

BOLT,Hex, M16 x 2 x 120mm, Cl 8.8

2шт.

10

614-12030

BOLT,Hex, M12 x 1.75 x 30mm, Cl 8.8, Full Thd

7шт.

11

896-11012

WASHER,13.5mm ID x 24mm OD x 3mm Thk

7шт.

12

627-10030

BOLT,Hex, M10 x 1.5 x 30mm, Cl 10.9, Full Thd

10шт.

13

87655046

SPECIAL WASHER,10.65mm ID x 23mm OD x 2.2mm Thk

12шт.

Выбрано товаров: 13