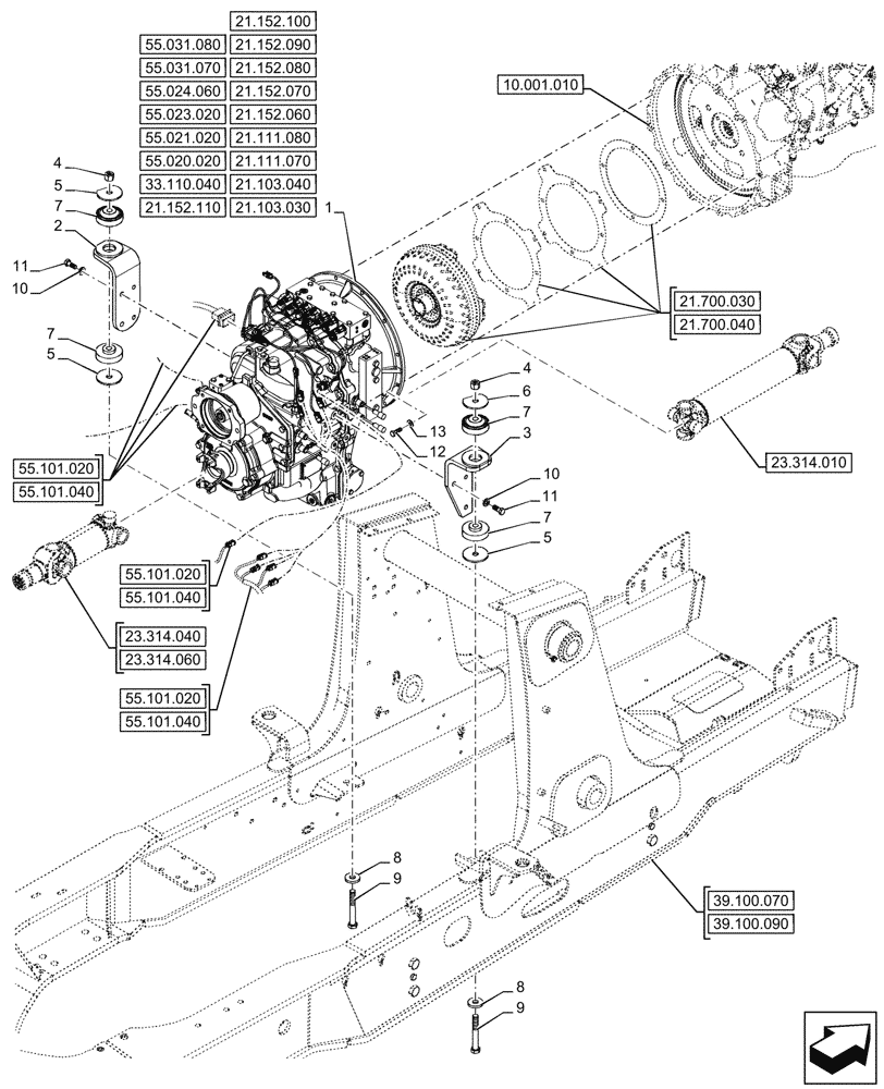
Запчасти Case 580SN (21.111.050) - VAR - 423061 - TRANSMISSION, SEMI-POWERSHIFT, 4WD (21) - TRANSMISSION

Схема запчастей Case 580SN - (21.111.050) - VAR - 423061 - TRANSMISSION, SEMI-POWERSHIFT, 4WD (21) - TRANSMISSION
33.110.040
13
1
12
8
5
5
9
7
11
7
11
5
4
6
10
8
7
10
3
4
2
7
9
21.103.030
55.101.040
55.101.040
55.101.040
55.020.020
21.152.100
21.111.080
21.152.070
55.031.070
21.152.110
55.031.080
21.111.070
55.023.020
55.024.060
23.314.040
55.101.020
55.101.020
55.101.020
21.700.040
23.314.060
23.314.010
21.152.090
10.001.010
21.103.040
21.152.060
39.100.090
21.700.030
39.100.070
21.152.080
55.021.020
FIT
1:1
100%

Артикул

Название

Примечание

Количество

1

84327512

TRANSMISSION

ASSY, Semi-powershift, 4WD

1шт.

2

84567307

BRACKET

Transmission Mount LH

1шт.

3

84567310

BRACKET

Transmission Mount RH

1шт.

4

832-10416

NUT,M16 x 2, Cl 8

2шт.

5

47395221

WASHER,0.66" ID x 3" OD x 0.18" Thk

3шт.

6

47395114

WASHER,16.7mm ID x 76.2mm OD x 4.55m Thk, HTS

1шт.

7

84383342

MOUNT

4шт.

8

86592702

WASHER,17mm ID x 45mm OD x 6mm Thk

2шт.

9

321246

BOLT,Hex, M16 x 2 x 120mm, Cl 8.8

2шт.

10

614-12030

BOLT,Hex, M12 x 1.75 x 30mm, Cl 8.8, Full Thd

7шт.

11

896-11012

WASHER,13.5mm ID x 24mm OD x 3mm Thk

7шт.

12

627-10030

BOLT,Hex, M10 x 1.5 x 30mm, Cl 10.9, Full Thd

11шт.

13

87655046

SPECIAL WASHER,10.65mm ID x 23mm OD x 2.2mm Thk

11шт.

Выбрано товаров: 0