Запчасти Case 580SN (21.113.010) - VAR - 423062 - TRANSMISSION, POWERSHIFT, 4WD (21) - TRANSMISSION

Схема запчастей Case 580SN - (21.113.010) - VAR - 423062 - TRANSMISSION, POWERSHIFT, 4WD (21) - TRANSMISSION
21.155.010
1
5
5
7
8
9
7
4
1
2
8
11
12
5
9
11
3
7
6
11
13
7
4
10
10
21.113.040
55.101.040
21.155.030
21.700.050
21.155.050
55.101.030
55.024.070
55.022.060
23.314.040
33.110.050
55.031.100
55.101.020
10.001.010
21.105.030
21.105.020
23.314.060
55.024.110
21.155.060
23.314.010
21.113.030
21.155.020
39.100.070
39.100.090
55.020.030
55.031.090
39.100.040
21.155.040
FIT
1:1
100%

Артикул

Название

Примечание

Количество

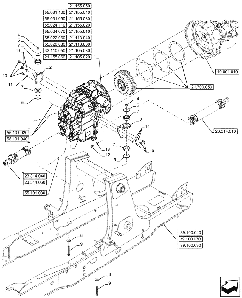
1

87567534

TRANSMISSION

ASSY, TLB 2, Powershift

1шт.

2

84567664

SUPPORT

Transmission Mount, Powershift, LH

1шт.

3

84567666

SUPPORT

Transmission Mount, Powershift, RH

1шт.

4

832-10416

NUT,M16 x 2, Cl 8

2шт.

5

47395221

WASHER,0.66" ID x 3" OD x 0.18" Thk

3шт.

6

47395114

WASHER,16.7mm ID x 76.2mm OD x 4.55m Thk, HTS

1шт.

7

84383342

MOUNT

4шт.

8

86592702

WASHER,17mm ID x 45mm OD x 6mm Thk

2шт.

9

321246

BOLT,Hex, M16 x 2 x 120mm, Cl 8.8

2шт.

10

614-12030

BOLT,Hex, M12 x 1.75 x 30mm, Cl 8.8, Full Thd

6шт.

11

896-11012

WASHER,13.5mm ID x 24mm OD x 3mm Thk

6шт.

12

627-10030

BOLT,Hex, M10 x 1.5 x 30mm, Cl 10.9, Full Thd

11шт.

13

87655046

SPECIAL WASHER,10.65mm ID x 23mm OD x 2.2mm Thk

11шт.

Выбрано товаров: 13