Запчасти Case 580SN (25.100.010) - FRONT AXLE, 4WD (25) - FRONT AXLE SYSTEM

Схема запчастей Case 580SN - (25.100.010) - FRONT AXLE, 4WD (25) - FRONT AXLE SYSTEM
25.108.020
17
6
10
15
16
12
13
5
6
14
11
7
2
3
9
14
1
19
8
4
18
39.100.050
25.108.010
25.100.020
41.106.040
25.102.010
23.314.010
39.100.060
25.100.030
25.108.030
25.102.020
41.216.040
39.100.040
41.216.090
41.216.090
25.310.010
FIT
1:1
100%

Артикул

Название

Примечание

Количество

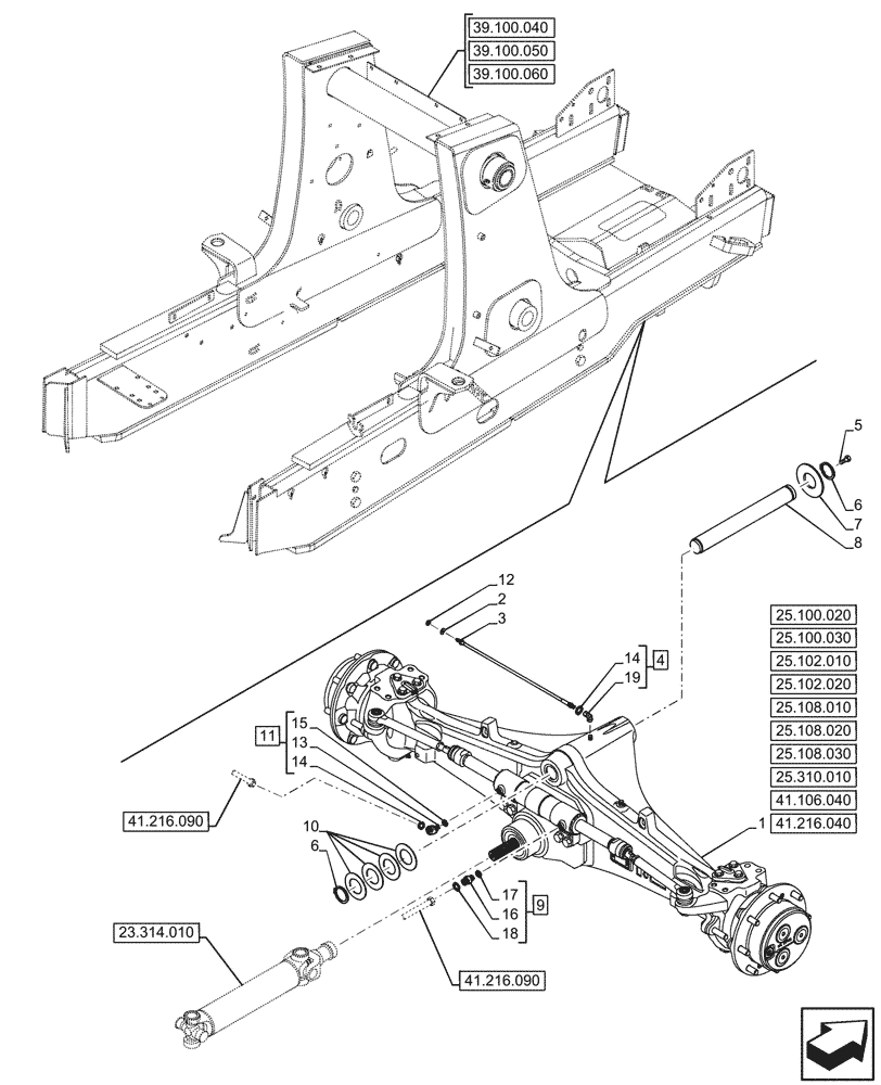
1

47559839

FRONT AXLE

ASSY, Grey, PS1321 ACP, 12.1-1

1шт.

2

87655046

SPECIAL WASHER,10.65mm ID x 23mm OD x 2.2mm Thk

1шт.

3

87572760

HOSE ASSY.,6.4mm ID x 533mm L

1шт.

4

218-5103

90 ELBOW,90 Degree Elbow, 7/16" - 20 Male JIC x 7/16" - 20 Male ORB

ASSY, Incl 14 (Qty 1), 19

1шт.

5

614-12025

BOLT,Hex, M12 x 1.75 x 25mm, Cl 8.8, Full Thd

1шт.

6

800-44050

SNAP RING,M50, Ext

2шт.

7

D123684

WASHER,52.3mm ID x 114mm OD x 4.78mm Thk

1шт.

8

391451A1

PIVOT PIN,50mm OD x 431.5mm L

1шт.

9

9992342

HYD CONNECTOR,13/16" - 16 ORFS x 9/16" - 18 ORB

ASSY, Incl 16 - 18

1шт.

10

191796A1

WASHER,51.6mm ID x 92mm OD x 1.98mm Thk

4шт.

11

201-321

ELBOW,45 Degree Elbow, 13/16" - 16 Male ORFS x 9/16" - 18 Male ORB

ASSY, Incl 13, 14 (Qty 1), 15

1шт.

12

F53473

LOCK NUT,1/8-27 NPSM

1шт.

13

NSS

NOT SOLD SEPARAT

45° Elbow, Incl in 11

1шт.

14

237-6004

O-RING,0.072" Thk x 0.351" ID, -904, Cl 6, 90 Duro

2шт.

15

238-6012

O-RING,0.07" Thk x 0.364" ID, -12, Cl 6, 90 Duro

1шт.

16

NSS

NOT SOLD SEPARAT

Connector, Incl in 9

1шт.

17

9617873

O-RING,0.078" Thk x 0.468" ID, -906, Cl 6, 90 Duro

1шт.

18

9992298

O-RING,0.07" Thk x 0.489" ID, -14, Cl 6, 90 Duro

1шт.

19

NSS

NOT SOLD SEPARAT

90° Elbow, Incl in 4

1шт.

Выбрано товаров: 0