Запчасти Case 580SN (55.021.030) - VAR - 423062 - TRANSMISSION, POWERSHIFT, CONTROL VALVE, COMPONENTS, PRESSURE SENSOR, 4WD (55) - ELECTRICAL SYSTEMS

Схема запчастей Case 580SN - (55.021.030) - VAR - 423062 - TRANSMISSION, POWERSHIFT, CONTROL VALVE, COMPONENTS, PRESSURE SENSOR, 4WD (55) - ELECTRICAL SYSTEMS
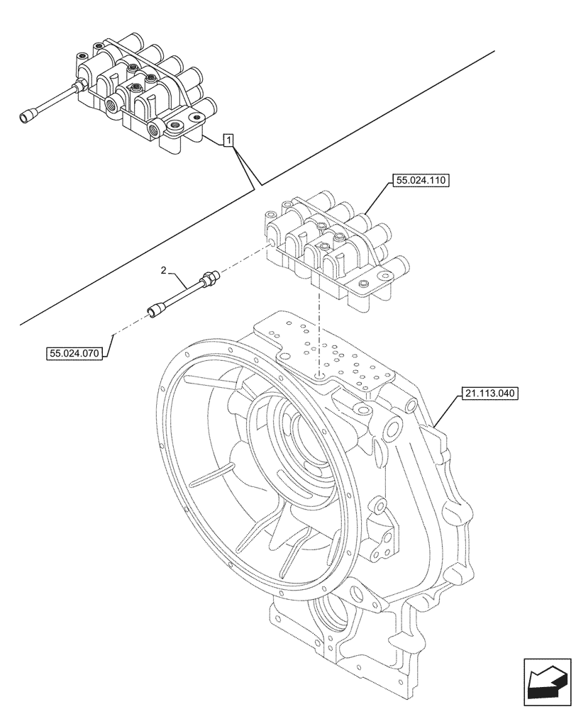
55.024.110
1
2
21.113.040
55.024.070
FIT
1:1
100%

Артикул

Название

Примечание

Количество

1

87705566

CONTROL VALVE

ASSY, Powershift Transmission, Incl 2

1шт.

See also Control Valve Components in Figures 55.024.120, 55.024.130

1шт.

2

87705716

SENSOR

Powershift Transmission Oil Pressure

1шт.

Выбрано товаров: 3