Качественные детали и логистика
Оригинальные и аналоговые запчасти с доставкой по России, Казахстану и Беларуси
©2022 PartSell ООО "Система" ИНН 2463123282 ОГРН 1212400004838
Центральный офис: г. Красноярск, Академика Киренского, д.87, пом.4
Телефон: 8 (800) 777-65-74 Email: zakaz@partsell.ru
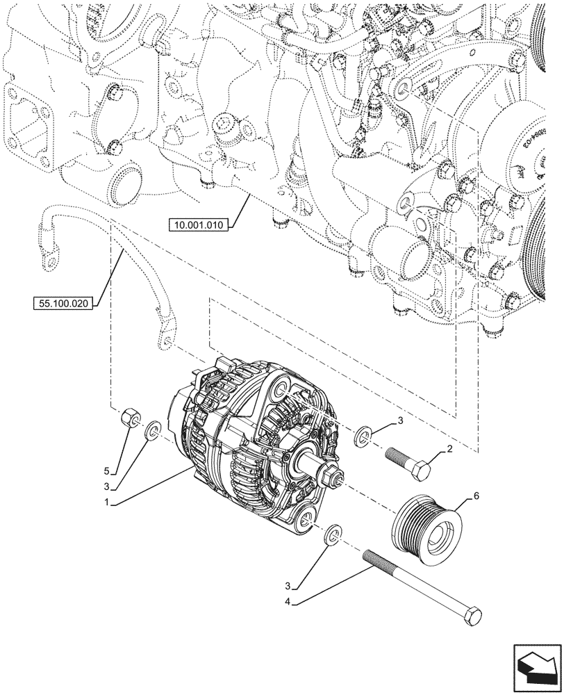
(55.301.020) - ALTERNATOR, 160A
№
Артикул
Название
Примечание
Количество
1
87715397
ALTERNATOR,14V, 80A(1800 RPM)
On Engine
1шт.
2
9790095
BOLT,1/2" - 13 x 1-3/4", Gr 8
3
896-11012
WASHER,13.5mm ID x 24mm OD x 3mm Thk
3.8шт.
4
397393
BOLT,M12 x 1.75 x 167.68mm OAL, Cl 8.8
5
829-1412
NUT,M12, Cl 10.9
6
84409052
PULLEY,66mm OD
Alternator
Выбрано товаров: 0