Запчасти Case 580SN (55.302.060) - BATTERY, NEGATIVE, CABLE (55) - ELECTRICAL SYSTEMS

Схема запчастей Case 580SN - (55.302.060) - BATTERY, NEGATIVE, CABLE (55) - ELECTRICAL SYSTEMS
55.302.140
1
2
55.302.040
55.302.040
35.300.010
39.100.090
39.100.070
39.100.040
FIT
1:1
100%

Артикул

Название

Примечание

Количество

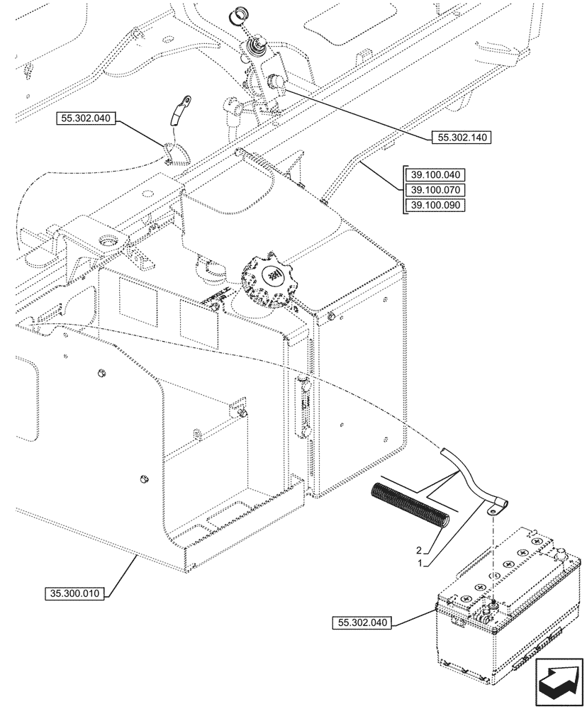
1

47575563

NEG BATTERY CABLE,1766mm L

From Battery to Chassis Ground Stud

1шт.

2

47624327

CONDUIT

Battery Cable

1шт.

Выбрано товаров: 2