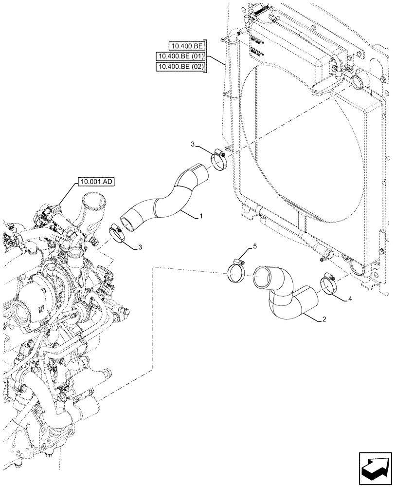
Запчасти Case 580SN (10.400.AP) - VAR - 423000, 423001, 442082, 747853, 747854, 747855 - RADIATOR, COOLANT TUBE (10) - ENGINE

Схема запчастей Case 580SN - (10.400.AP) - VAR - 423000, 423001, 442082, 747853, 747854, 747855 - RADIATOR, COOLANT TUBE (10) - ENGINE
10.400.be
3
3
1
2
5
4
10.400.be (01)
10.001.ad
10.400.be (02)
FIT
1:1
100%

Артикул

Название

Примечание

Количество

1

87528978

RADIATOR HOSE,45.00 mm ID x 76.50 mm, SAE J20, SAE 20 R4 Class C

Upper

1шт.

2

87454378

RADIATOR HOSE,57.15 mm ID x 217.70 mm, SAE 20R4 CLASS D-1

Lower

1шт.

3

87647029

HOSE CLAMP,40-64mm

2шт.

4

214-1440

HOSE CLAMP,#40, 2.06" - 3", Type F Worm

1шт.

5

45014

HOSE CLAMP,2.06” - 3” , Worm Gear

1шт.

Выбрано товаров: 5