Запчасти Case 580SN (21.104.AL) - VAR - 423058 - TRANSMISSION, POWERSHUTTLE, OIL COOLER LINE (21) - TRANSMISSION

Схема запчастей Case 580SN - (21.104.AL) - VAR - 423058 - TRANSMISSION, POWERSHUTTLE, OIL COOLER LINE (21) - TRANSMISSION
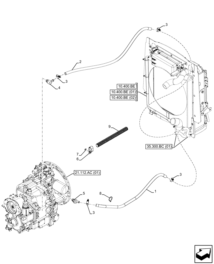
21.112.ac (01)
7
3
4
2
3
9
1
3
8
6
5
3
10.400.be (01)
35.300.bc (01)
10.400.be (02)
10.400.be
FIT
1:1
100%

Артикул

Название

Примечание

Количество

1

87422597

HOSE,15.88mm ID x 975mm L, SAE 100R6

Transmission Cooler Fill, L=975mm

1шт.

2

87422598

HOSE,15.88mm ID x 1225mm L, SAE 100R6

Transmission Cooler Return, L=1225mm

1шт.

3

328186A1

HOSE CLAMP,400mm L

4шт.

4

217-349

ELBOW,90 Degree Elbow, 5/8" Hose Barb x 7/8" - 14 Male ORB

1шт.

5

217-314

FITTING,45 Degree Elbow, 5/8" Hose Barb x 7/8" - 14 Male ORB

1шт.

6

D39696

CLAMP,25.40mm - 13.49mm Bolt, CTD

1шт.

7

829-1410

NUT,M10 x 1.5, Cl 10.9

1шт.

8

L11541

CABLE TIE,203.2mm L, Nylon

3шт.

9

D132982

PADDLE,26.87mm ID x 400mm L

Guard

1шт.

Выбрано товаров: 9