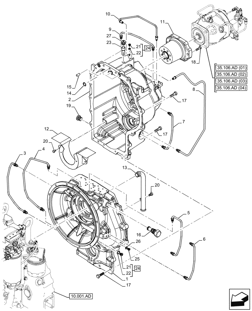
Запчасти Case 580SN (21.113.AD[02]) - VAR - 423062 - TRANSMISSION, POWERSHIFT, HOUSING, 4WD (21) - TRANSMISSION

Схема запчастей Case 580SN - (21.113.AD[02]) - VAR - 423062 - TRANSMISSION, POWERSHIFT, HOUSING, 4WD (21) - TRANSMISSION
35.106.ad (01)
22
23
1
26
21
11
17
19
25
21
17
22
7
14
8
12
18
27
20
2
15
24
5
24
13
3
10
20
17
4
6
9
16
35.106.ad (04)
10.001.ad
35.106.ad (03)
35.106.ad (02)
FIT
1:1
100%

Артикул

Название

Примечание

Количество

1

87705437

TRANSMISSION HOUSING

Powershift, Front

1шт.

2

87705453

TRANSMISSION HOUSING

Powershift Transmission, Rear

1шт.

3

87705434

TUBE

Powershift Transmission, 3rd Speed

1шт.

4

87705432

TUBE

Powershift Transmission, 1st Speed

1шт.

5

87705444

TUBE

Powershift Transmission, 4th Speed

1шт.

6

87705441

TUBE

Powershift Transmission, 2nd Speed

1шт.

7

87705452

TUBE

Powershift Transmission, Lubrification

1шт.

8

87705448

TUBE

Powershift Transmission

1шт.

9

87705455

TUBE

Powershift Transmission, Lubrification

1шт.

10

87705446

TUBE

Powershift Transmission, Lubrification

1шт.

11

87701269

FLANGE

Powershift Transmission, PTO

1шт.

12

87705445

BRACKET

Powershift Transmission

1шт.

13

87705438

PIPE

Powershift Transmission, Suction

1шт.

14

181141A1

O-RING,17.12mm ID x 2.62mm Width

3шт.

15

K260177

PIN

Dowel

2шт.

16

87705439

VALVE

Powershift Transmission, Directional

1шт.

17

614-10035

BOLT,Hex, M10 x 1.5 x 35mm, Cl 8.8, Full Thd

18шт.

18

87705895

BOLT,TCEI, M10 x 25mm, Cl 8.8

M10x25

7шт.

19

100557A1

PLUG, DRAIN,M30 x 2

Powershift Transmission

1шт.

20

614-10020

BOLT,Hex, M10 x 1.5 x 20mm, Cl 8.8, Full Thd

3шт.

21

NSS

NOT SOLD SEPARAT

Plug, Incl in 24

5шт.

22

9617873

O-RING,0.078" Thk x 0.468" ID, -906, Cl 6, 90 Duro

5шт.

23

310772A1

VENTILATION PIPE,18 mm OD, 42 mm Length

Oil Breather

1шт.

24

9625178

PLUG,9/16" - 18 ORB

ASSY, Incl 21, 22

5шт.

25

181100A1

PLUG,1/8 CAS x 8

5шт.

26

934667R1

SEALING RING,M10 x 14 x 1

5шт.

27

1530028C1

BREATHER

Powershift Transmission, Oil

1шт.

Выбрано товаров: 27