Запчасти Case 580SN (35.106.AO[05]) - VAR - 423080 - PUMP, OIL LINE, FITTING (35) - HYDRAULIC SYSTEMS

Схема запчастей Case 580SN - (35.106.AO[05]) - VAR - 423080 - PUMP, OIL LINE, FITTING (35) - HYDRAULIC SYSTEMS
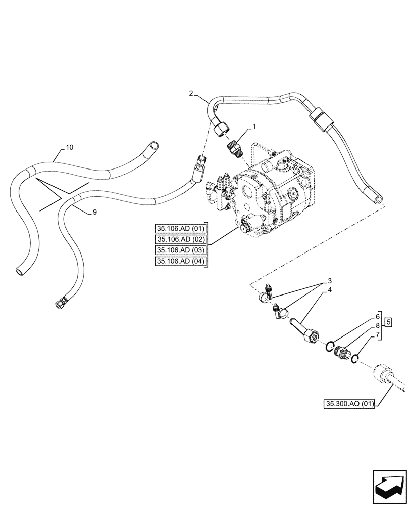
35.300.aq (01)
8
9
4
1
10
5
6
7
2
3
35.106.ad (01)
35.106.ad (02)
35.106.ad (04)
35.106.ad (03)
FIT
1:1
100%

Артикул

Название

Примечание

Количество

1

9840534

HYD CONNECTOR,1-3/16" - 12 ORFS x 7/8" - 14 ORB

1шт.

2

84325951

HOSE ASSY.,19mm ID, 745mm L, SAE100R6

Case Drain Pilot

1шт.

3

277678A1

CLAMP,Constant Torque 1 1/8 Inch

2шт.

4

47375879

TUBE

Variable Pump Return

1шт.

5

9840535

HYD CONNECTOR,1-3/16" - 12 ORFS x 1-1/16" - 12 ORB

ASSY, Incl 6 - 8

1шт.

6

167266

O-RING,0.116" Thk x 0.924" ID, -912, Cl 6, 90 Duro

1шт.

7

9991976

O-RING,0.07" Thk x 0.739" ID, -18, Cl 6, 90 Duro

1шт.

8

NSS

NOT SOLD SEPARAT

Connector, Incl in 5

1шт.

9

84327009

HOSE ASSY.,10mm ID, 1080mm L, SAE100R16 type S

Drain

1шт.

10

84327011

HOSE PROTECTION

1шт.

Выбрано товаров: 10