Запчасти Case 580SN (35.355.AK[02]) - VAR - 742369 - BACKHOE ARM, MECHANICAL, CONTROL LEVER, HAND SWING (35) - HYDRAULIC SYSTEMS

Схема запчастей Case 580SN - (35.355.AK[02]) - VAR - 742369 - BACKHOE ARM, MECHANICAL, CONTROL LEVER, HAND SWING (35) - HYDRAULIC SYSTEMS
35.356.aw (01)
18
11
30
6
7
19
20
25
15
13
22
13
5
9
12
26
12
28
17
8
32
31
21
4
16
17
14
33
26
1
3
19
6
22
18
7
14
23
2
23
29
24
27
10
20
35.356.aw (01)
FIT
1:1
100%

Артикул

Название

Примечание

Количество

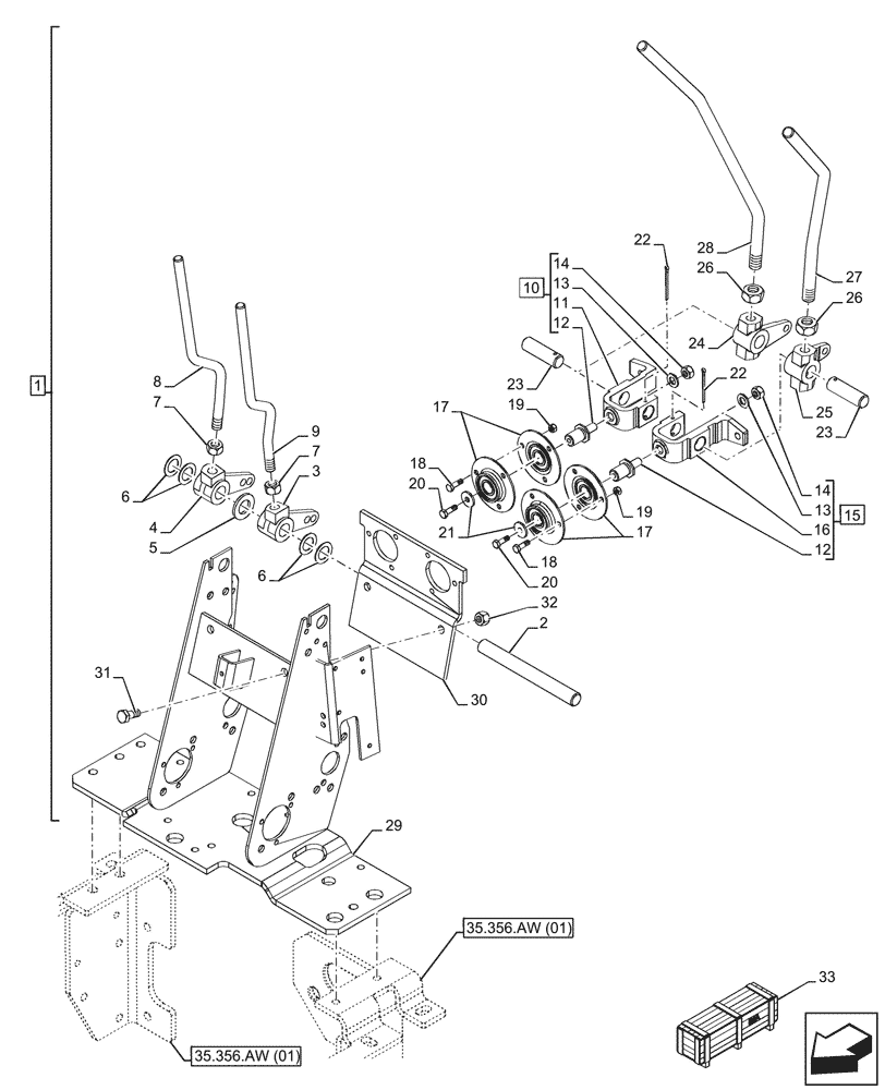
1

87309482

LEVER

ASSY, 2 Lever without Extendable Dipper, Incl 2 - 32

1шт.

See Lever Components also in Figure 35.355.AK (01)

1шт.

2

450702A1

LEVERSHAFT

1шт.

3

108923A1

LEVER

Bellcrank LH

1шт.

4

108924A1

LEVER

Bellcrank RH

1шт.

5

495-11081

WASHER,3/4", SAE

1шт.

6

A30881

SEALING WASHER,19.45mm ID x 31.35mm OD

4шт.

7

425-118

NUT,1/2"-20, G5

2шт.

8

87308276

CONTROL LEVER

Stabilizer LH

1шт.

9

87308277

CONTROL LEVER

Stabilizer RH

1шт.

10

178006A1

LEVER

ASSY, Incl 11, 12 (Qty 1), 13 (Qty 1), 14 (Qty 1)

1шт.

11

NSS

NOT SOLD SEPARAT

Lever, Incl in 10

1шт.

12

176309A1

SHAFT,M10 x 1.5, 48.74mm L

2шт.

13

895-11010

WASHER,11mm ID x 20mm OD x 2mm Thk

2шт.

14

829-1410

NUT,M10 x 1.5, Cl 10.9

2шт.

15

178004A1

LEVER

ASSY, Incl 12 (Qty 01), 13 (Qty 1), 14 (Qty 1), 16

1шт.

16

NSS

NOT SOLD SEPARAT

Lever, Incl in 15

1шт.

17

47635977

BALL BEARING,3.150mm OD

ASSY

4шт.

18

614-6020

BOLT,Hex, M6 x 1 x 20mm, Cl 8.8, Full Thd

6шт.

19

829-1406

NUT,Hex, M6 x 1, Cl 10.9

6шт.

20

614-6016

BOLT,Hex, M6 x 1 x 16mm, Cl 8.8, Full Thd

2шт.

21

396-41028

WASHER,.281" x 7/8" x .098", HDN

2шт.

22

432-828

COTTER PIN,1/8" x 1 3/4"

2шт.

23

102765A1

PIN,19.5mm OD x 63mm L

2шт.

24

106989A1

LEVER

Bellcrank LH

1шт.

25

106990A1

LEVER

Bellcrank RH

1шт.

26

425-1110

NUT,5/8"-18, G5

2шт.

27

87308274

CONTROL LEVER

LH

1шт.

28

87308275

CONTROL LEVER

RH

1шт.

29

87418516

SUPPORT

Backhoe Control Tower

1шт.

30

108864A1

SUPPORT

Bearing Mounting

1шт.

31

614-10025

BOLT,Hex, M10 x 1.5 x 25mm, Cl 8.8

2шт.

32

832-10410

NUT,M10 x 1.5, Cl 8

2шт.

33

47453063

CONSTRUCTION DIA

Convert Foot Swing to 2 Lever, Standard Dipper, Incl 1 - 30

1шт.

To See Full DIA KIT Composition Look for all the Figures Where the DIA KIT P/N Is Shown

1шт.

33

47453065

CONSTRUCTION DIA

Convert Foot Swing to 2 Lever, Extendable Dipper, Incl 1 - 30

1шт.

To See Full DIA KIT Composition Look for all the Figures Where the DIA KIT P/N Is Shown

1шт.

Выбрано товаров: 37