Запчасти Case 580SN (35.356.AW[01]) - VAR - 742369 - BACKHOE ARM, MECHANICAL, CONTROL LEVER, SUPPORT (35) - HYDRAULIC SYSTEMS

Схема запчастей Case 580SN - (35.356.AW[01]) - VAR - 742369 - BACKHOE ARM, MECHANICAL, CONTROL LEVER, SUPPORT (35) - HYDRAULIC SYSTEMS
35.355.ak (02)
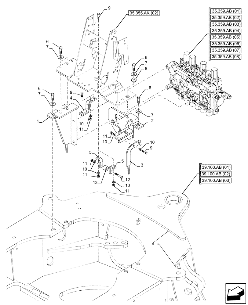
11
1
6
10
10
8
11
13
7
10
3
7
4
5
2
5
9
12
11
9
6
7
10
11
10
6
9
7
11
6
39.100.ab (03)
35.359.ab (07)
35.359.ab (05)
35.359.ab (01)
35.359.ab (02)
35.359.ab (03)
35.359.ab (06)
35.359.ab (04)
35.359.ab (08)
39.100.ab (01)
39.100.ab (02)
FIT
1:1
100%

Артикул

Название

Примечание

Количество

1

47380642

BRACKET

Open Center Valve Mounting RH

1шт.

2

84270125

BRACKET

Valve Mounting LH

1шт.

3

87633538

BRACKET

Swing Hose Support LH

1шт.

4

87449995

BRACKET

Boom Latch Rod

1шт.

5

87449996

BRACKET

Boom Latch Cable

2шт.

6

614-10035

BOLT,Hex, M10 x 1.5 x 35mm, Cl 8.8, Full Thd

8шт.

7

87687101

WASHER,10.65mm ID x 31mm OD x 3.3mm Thk

8шт.

8

179956A1

INSULATOR,10.16mm ID x 27.7mm OD x 11.2mm L

2шт.

9

614-8030

BOLT,Hex, M8 x 1.25 x 30mm, Cl 8.8, Full Thd

6шт.

10

87655042

SPECIAL WASHER,8.8mm ID x 17.5mm OD x 2.2mm Thk

9шт.

11

829-1408

NUT,Hex, M8 x 1.25, Cl 10.9

7шт.

12

814-8050

BOLT,Hex, M8 x 1.25 x 50mm, Cl 8.8

1шт.

13

86984547

GUIDE

1шт.

Выбрано товаров: 0