Запчасти Case 580SN (35.359.AB[49]) - BACKHOE CONTROL VALVE, 6-SPOOL, COMPONENTS, STANDARD DIPPER, W/ FOOT SWING CONTROLS - END YR 10-JUL-2015 (35) - HYDRAULIC SYSTEMS

Схема запчастей Case 580SN - (35.359.AB[49]) - BACKHOE CONTROL VALVE, 6-SPOOL, COMPONENTS, STANDARD DIPPER, W/ FOOT SWING CONTROLS - END YR 10-JUL-2015 (35) - HYDRAULIC SYSTEMS
35.359.ab (51)
8
9
15
16
12
4
9
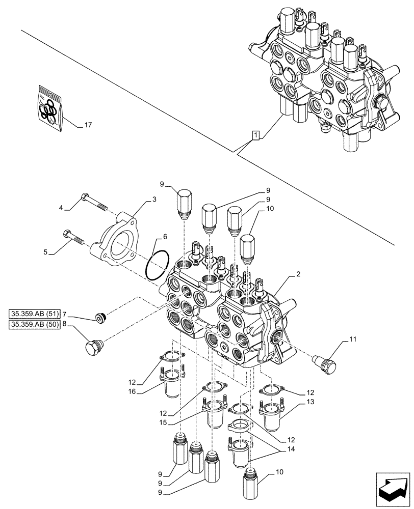
1
6
9
12
3
12
9
9
11
13
10
10
14
9
5
2
17
12
7
35.359.ab (50)
FIT
1:1
100%

Артикул

Название

Примечание

Количество

1

84273236

VALVE

ASSY, Incl 2 - 17

1шт.

Backhoe Control Valve, 6-Spool, with Standard Dipper and Foot Swing Controls

1шт.

For Components see also Figure 35.359.AB (50), 35.359.AB (51)

1шт.

2

NSS

NOT SOLD SEPARAT

1шт.

3

87433030

OUTLET

Section, Outlet

1шт.

4

87428491

SCREW,Hex

2шт.

5

87428492

SCREW,Hex

1шт.

6

87428495

O-RING,3.50" ID x 3.76" OD x .139" thk

1шт.

7

87428486

VALVE, CHECK

ASSY

1шт.

8

87426238

VALVE, CHECK

4шт.

9

84296804

VALVE PRESSURE RELIE,230 Bar, Adjustable

230 Bar Adjustable

6шт.

Set the Relief to the Setting of the One that is Being Replaced

1шт.

10

84296800

VALVE PRESSURE RELIE

Swing 205 Bar

2шт.

11

81868381

CHECK VALVE,1-1/16" - 12

ASSY, Anti Void

1шт.

12

84315193

SEAL

6шт.

13

84296861

SERVICE KIT

N Series Foot Swing V Port End Grou

1шт.

14

84296862

KIT

N Series Mechanical Boom B Port End Group

1шт.

15

84296826

SERVICE KIT

N Series Mechanical Stabilizer End Group B Port

2шт.

16

84296859

KIT

N Series Mechanical Backhoe Valve B Port End G

2шт.

17

84296786

SEAL KIT

N Series Mechanical Backhoe Valve Seal

1шт.

Выбрано товаров: 20