Запчасти Case 580SN (35.359.AB[53]) - BACKHOE CONTROL VALVE, 7-SPOOL, COMPONENTS, EXTENDABLE DIPPER, W/ TWO LEVER CONTROLS - END YR 10-JUL-2015 (35) - HYDRAULIC SYSTEMS

Схема запчастей Case 580SN - (35.359.AB[53]) - BACKHOE CONTROL VALVE, 7-SPOOL, COMPONENTS, EXTENDABLE DIPPER, W/ TWO LEVER CONTROLS - END YR 10-JUL-2015 (35) - HYDRAULIC SYSTEMS
35.359.ab (51)
9
13
9
6
10
5
2
3
12
13
9
11
9
15
12
12
16
12
8
4
7
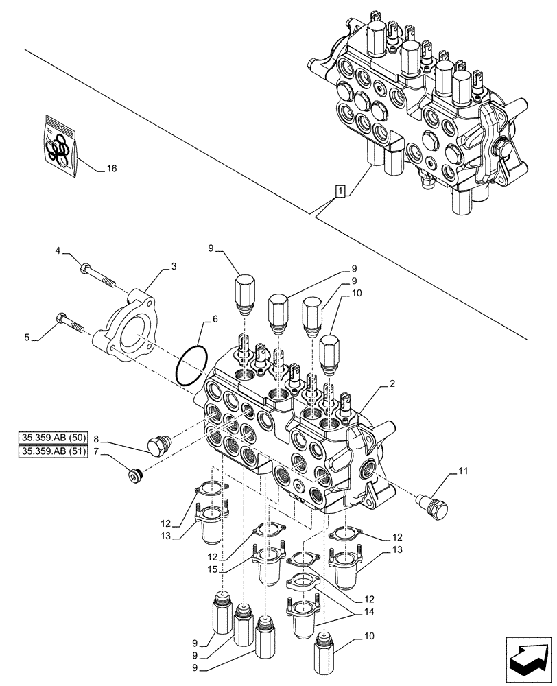
1
10
9
14
9
35.359.ab (50)
FIT
1:1
100%

Артикул

Название

Примечание

Количество

1

84273243

VALVE

ASSY, Incl 2 - 16

1шт.

Backhoe Control Valve, 7-Spool, with Extendable Dipper and 2 Lever Controls

1шт.

2

NSS

NOT SOLD SEPARAT

Block, Incl in 1

1шт.

3

87433030

OUTLET

Section, Outlet

1шт.

4

87428491

SCREW,Hex

2шт.

5

87428492

SCREW,Hex

1шт.

6

87428495

O-RING,3.50" ID x 3.76" OD x .139" thk

1шт.

7

87428486

VALVE, CHECK

ASSY

1шт.

8

87426238

VALVE, CHECK

ASSY

5шт.

9

84296804

VALVE PRESSURE RELIE,230 Bar, Adjustable

Adjustable

6шт.

Set the Relief to the Setting of the One that is Being Replaced

1шт.

10

84296800

VALVE PRESSURE RELIE

2шт.

11

81868381

CHECK VALVE,1-1/16" - 12

Anti Void

1шт.

12

84315193

SEAL

7шт.

13

84296859

KIT

Mechanical Backhoe Valve B Port End G

4шт.

14

84296862

KIT

Mechanical Boom B Port End Group

1шт.

15

84296826

SERVICE KIT

Mechanical Stabilizer End Group B Port

2шт.

16

84296786

SEAL KIT

Mechanical Backhoe Valve Seal

1шт.

Выбрано товаров: 0