Запчасти Case 580SN (35.359.AE[07]) - VAR - 747776, 747864 - LOADER, AUXILIARY CONTROL VALVE, LINES (35) - HYDRAULIC SYSTEMS

Схема запчастей Case 580SN - (35.359.AE[07]) - VAR - 747776, 747864 - LOADER, AUXILIARY CONTROL VALVE, LINES (35) - HYDRAULIC SYSTEMS
35.359.ab (26)
15
28
20
22
23
25
20
10
2
18
5
4
12
20
9
24
6
25
1
8
11
26
7
16
5
27
4
2
21
19
6
3
6
14
17
1
13
35.300.an (01)
35.359.ac (01)
FIT
1:1
100%

Артикул

Название

Примечание

Количество

1

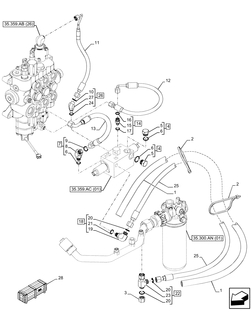
84284222

GUARD,19mm ID x 1140mm L

19mm ID x 24.23mm OD x 1140mm L

1шт.

2

L18331

CABLE TIE,375.9mm L, Nylon, Black

2шт.

3

87331950

CAP ASSY.,Hex, 11/16"-16

1шт.

4

218-5156

PLUG,Hex Hd, 3/4"-16 ORB

ASSY, Incl 5 (Qty 1), 6 (Qty 1)

2шт.

5

NSS

NOT SOLD SEPARAT

Plug, Incl in 4

2шт.

6

237-6008

O-RING,0.087" Thk x 0.644" ID, -908, Cl 6, 90 Duro

2шт.

7

201-315

ELBOW,45 Degree Elbow, 11/16" - 16 Male ORFS x 9/16" - 18 Male ORB

ASSY, Incl 6 (Qty 1), 8, 9

1шт.

8

NSS

NOT SOLD SEPARAT

45° Elbow, Incl in 7

1шт.

9

238-6014

O-RING,0.07" Thk x 0.489" ID, -14, Cl 6, 90 Duro

1шт.

10

237-6006

O-RING,0.078" Thk x 0.468" ID, -906, Cl 6, 90 Duro

1шт.

11

84260774

TUBE

6.3mm ID x 346mm, Pilot A

1шт.

12

84256410

HOSE ASSY.,6.3mm ID x 488mm L

Pilot B

1шт.

13

84391231

HYDRAULIC HOSE,10mm ID x 387mm L

EH Pressure

1шт.

14

87681202

HYD CONNECTOR,9/16" - 18 ORFS x 7/16" - 20 ORB

ASSY, Incl 15 - 17

1шт.

15

NSS

NOT SOLD SEPARAT

Connector, Incl in 14

1шт.

16

9825770

O-RING,0.07" Thk x 0.301" ID, -11, Cl 6, 90 Duro

1шт.

17

165202

O-RING,0.072" Thk x 0.351" ID, -904, Cl 6, 90 Duro

1шт.

18

9840543

90 ELBOW,90 Degree, 11/16"-16 x 9/16"-18 Adj, ORFS

ASSY, Incl 19, 20 (Qty 1), 21

1шт.

19

NSS

NOT SOLD SEPARAT

90° Elbow, Incl in 18

1шт.

20

9993141

O-RING,0.07" Thk x 0.364" ID, -12, Cl 6, 90 Duro

3шт.

21

9617873

O-RING,0.078" Thk x 0.468" ID, -906, Cl 6, 90 Duro

1шт.

22

84989848

TEE,11/16" - 16 ORFS x 11/16" - 16 ORFS x 11/16" - 16 JIC

ASSY, Incl 20 (Qty 2), 23

1шт.

23

NSS

NOT SOLD SEPARAT

Tee, Incl in 22

1шт.

24

237-6004

O-RING,0.072" Thk x 0.351" ID, -904, Cl 6, 90 Duro

1шт.

25

84255991

HOSE ASSY.,10mm ID x 1283mm L

to Tank

1шт.

26

201-331

ELBOW,45 Degree, 9/16"-18 x 7/16"-20. Adj, ORFS

ASSY, Incl 10, 24, 27

1шт.

27

NSS

NOT SOLD SEPARAT

45° Elbow, Incl in 26

1шт.

28

47661785

CONSTRUCTION DIA

3 Spool, Mechanical Control, Powershift Transmission, Incl 1, 2, 4 - 7, 11, 14, 18 - 21, 26

1шт.

Valid for 580N Model Only

1шт.

To See Full DIA KIT Composition Look for all the Figures Where the DIA KIT P/N Is Shown

1шт.

28

47661814

CONSTRUCTION DIA

3 Spool, Pilot Control, Powershift Transmission, Incl 1, 2, 4 - 7, 11 - 15, 18 - 20, 22, 23, 25, 26

1шт.

Valid for 580N Model Only

1шт.

To See Full DIA KIT Composition Look for all the Figures Where the DIA KIT P/N Is Shown

1шт.

28

47661816

CONSTRUCTION DIA

3 Spool, Mechanical Control, Standard Transmission, Incl 1, 2, 4 - 7, 11 - 15, 18 - 20, 22, 25, 27

1шт.

Valid for 580SN, 580SN WT, 590SN Models Only

1шт.

To See Full DIA KIT Composition Look for all the Figures Where the DIA KIT P/N Is Shown

1шт.

28

47661824

CONSTRUCTION DIA

3 Spool, Mechanical Control, Powershift Transmission, Incl 1, 2, 4 - 7, 11 - 15, 18 - 21, 25, 26

1шт.

Valid for 580SN, 580SN WT, 590SN Models Only

1шт.

To See Full DIA KIT Composition Look for all the Figures Where the DIA KIT P/N Is Shown

1шт.

Выбрано товаров: 39