Запчасти Case 580SN (35.359.AE[14]) - LOADER, CONTROL VALVE LINE, BACKHOE CONTROL VALVE (35) - HYDRAULIC SYSTEMS

Схема запчастей Case 580SN - (35.359.AE[14]) - LOADER, CONTROL VALVE LINE, BACKHOE CONTROL VALVE (35) - HYDRAULIC SYSTEMS
35.359.ab (10)
5
7
3
8
11
9
7
1
7
5
2
4
6
7
7
6
10
4
35.106.ao (04)
35.359.ab (11)
35.359.ab (09)
35.359.ab (12)
35.359.ab (36)
FIT
1:1
100%

Артикул

Название

Примечание

Количество

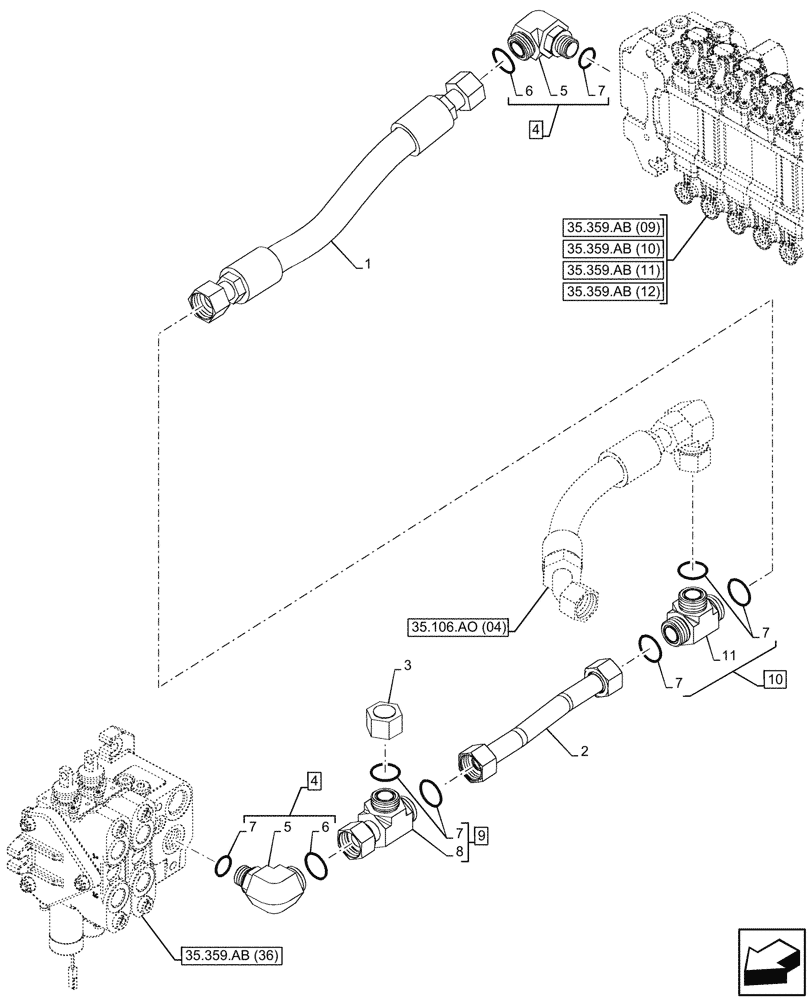
1

84523970

HYDRAULIC HOSE,25.4mm ID x 538mm L, SAE 100R12

Pressure to Backhoe Valve, 538mm

1шт.

2

84523969

HYD TUBE

Pressure to Loader, 257mm

1шт.

3

9847690

CAP,1-7/16" - 12 ORFS

1шт.

4

9846956

90 ELBOW,90 Degree, 1-7/16"-12 x 1-1/16"-12, Adj, ORFS

ASSY, Incl 5 - 7 (Qty 1)

2шт.

5

NSS

NOT SOLD SEPARAT

Elbow, Incl in 4

1шт.

6

167266

O-RING,0.116" Thk x 0.924" ID, -912, Cl 6, 90 Duro

1шт.

7

9824050

O-RING,0.07" Thk x 0.926" ID, -21, Cl 6, 90 Duro

1шт.

8

NSS

NOT SOLD SEPARAT

Union Tee, Incl in 9

1шт.

9

86641295

TEE,1-7/16"-12 ORFS to Swivel

ASSY, Incl 7 (Qty 2), 8

1шт.

10

87016914

TEE,1 7/16"-12 ORFS

ASSY, Incl 7 (Qty 3), 11

1шт.

11

NSS

NOT SOLD SEPARAT

Tee, Incl in 10

1шт.

Выбрано товаров: 0