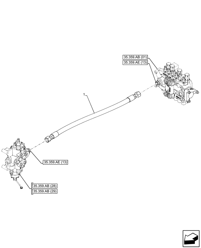
Запчасти Case 580SN (35.359.AE[23]) - LOADER, CONTROL VALVE LINE, BACKHOE CONTROL VALVE (35) - HYDRAULIC SYSTEMS

Схема запчастей Case 580SN - (35.359.AE[23]) - LOADER, CONTROL VALVE LINE, BACKHOE CONTROL VALVE (35) - HYDRAULIC SYSTEMS
35.359.ab (29)
1
35.359.ab (01)
35.359.ae (13)
35.359.ae (13)
35.359.ab (28)
FIT
1:1
100%

Артикул

Название

Примечание

Количество

1

84468306

HYDRAULIC HOSE,19mm ID x 974mm L

from Loader Valve to Backhoe Valve

1шт.

Выбрано товаров: 1