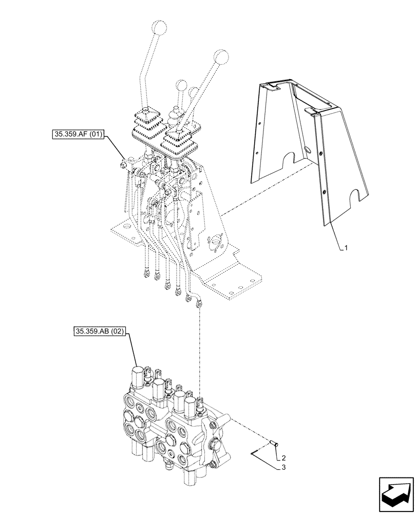
Запчасти Case 580SN (35.359.AF[02]) - BACKHOE CONTROL VALVE, 7-SPOOL, STANDARD DIPPER, MECHANICAL CONTROLS, MOUNTING PARTS (35) - HYDRAULIC SYSTEMS

Схема запчастей Case 580SN - (35.359.AF[02]) - BACKHOE CONTROL VALVE, 7-SPOOL, STANDARD DIPPER, MECHANICAL CONTROLS, MOUNTING PARTS (35) - HYDRAULIC SYSTEMS
35.359.af (01)
3
2
1
35.359.ab (02)
FIT
1:1
100%

Артикул

Название

Примечание

Количество

1

390690A1

COVER

Front Backhoe Console 2 Lever

1шт.

2

D149287

PIN,7.9mm OD x 26.72mm L

6шт.

3

432-612

COTTER PIN,3/32" x 3/4"

6шт.

Выбрано товаров: 3