Запчасти Case 580SN (35.525.AA[06]) - VAR - 747661, 747662 - AUXILIARY HYDRAULIC, LINES (35) - HYDRAULIC SYSTEMS

Схема запчастей Case 580SN - (35.525.AA[06]) - VAR - 747661, 747662 - AUXILIARY HYDRAULIC, LINES (35) - HYDRAULIC SYSTEMS
35.359.ae (22)
10
1
7
14
5
18
17
13
4
3
15
5
9
2
8
7
16
6
6
11
6
12
8
35.525.ai (01)
5
35.359.ab (01)
39.100.ab (03)
39.100.ab (02)
39.100.ab (01)
35.359.ae (04)
FIT
1:1
100%

Артикул

Название

Примечание

Количество

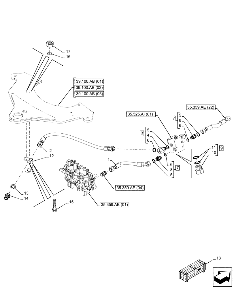
1

84283270

HOSE ASSY.,19mm ID x 415mm L

Auxiliary Valve to Backhoe Valve

1шт.

2

84407246

HYD TUBE,19mm ID x 970mm L

Uni-Auxiliary, 970mm L

1шт.

3

9846956

90 ELBOW,90 Degree, 1-7/16"-12 x 1-1/16"-12, Adj, ORFS

ASSY, Incl 4, 5 (Qty 1), 6 (Qty 1)

1шт.

4

NSS

NOT SOLD SEPARAT

90° Elbow, Incl in 3

1шт.

5

167266

O-RING,0.116" Thk x 0.924" ID, -912, Cl 6, 90 Duro

3шт.

6

9824050

O-RING,0.07" Thk x 0.926" ID, -21, Cl 6, 90 Duro

3шт.

7

87303844

HYD CONNECTOR,1-7/16" - 12 ORFS x 1-1/16" - 12 ORB

ASSY, Incl 5 (Qty 1), 6 (Qty 1), 8 (Qty 1)

2шт.

8

NSS

NOT SOLD SEPARAT

Connector, Incl in 7

2шт.

9

76349

PLUG,9/16" - 18 ORB

ASSY, Incl 10, 11

1шт.

10

NSS

NOT SOLD SEPARAT

Plug, Incl in 9

1шт.

11

9617873

O-RING,0.078" Thk x 0.468" ID, -906, Cl 6, 90 Duro

2шт.

12

84407250

BRACKET, SUPPORTING

Uni-Auxiliary Mounting

1шт.

13

86639084

BHD LOCK NUT,1-7/16"-12, ORFS, Bulkhead

1шт.

14

86639060

UNION,1-7/16"-12 ORFS, Bulkhead

1шт.

15

86508618

BOLT,Hex, M10 x 1.5 x 45mm, Cl 10.9

2шт.

16

3416158

O-RING,0.07" Thk x 0.301" ID, -11, Cl 5, 75 Duro

2шт.

17

86500689

NUT,M10 x 1.5, Cl 10

2шт.

18

47674176

CONSTRUCTION DIA

Uni-Dir, Mechanical Control, Standard Dipper, Incl 1 - 17

1шт.

Valid for 580N EP Model Only

1шт.

To See Full DIA KIT Composition Look for all the Figures Where the DIA KIT P/N Is Shown

1шт.

18

84546986

CONSTRUCTION DIA

Uni-Dir, Mechanical Control, Standard Dipper, Incl 1 - 17

1шт.

Valid for 580SN, 580SN WT Models Only

1шт.

To See Full DIA KIT Composition Look for all the Figures Where the DIA KIT P/N Is Shown

1шт.

18

84546990

CONSTRUCTION DIA

Uni-Dir, Mechanical Control, Standard Dipper, Incl 1 - 17

1шт.

Valid for 590SN Model Only

1шт.

To See Full DIA KIT Composition Look for all the Figures Where the DIA KIT P/N Is Shown

1шт.

18

47674177

CONSTRUCTION DIA

Uni-Dir, Mechanical Control, Extendable Dipper, Incl 1 - 17

1шт.

Valid for 580N EP Model Only

1шт.

To See Full DIA KIT Composition Look for all the Figures Where the DIA KIT P/N Is Shown

1шт.

18

84546989

CONSTRUCTION DIA

Uni-Dir, Mechanical Control, Extendable Dipper, Incl 1 - 17

1шт.

Valid for 580SN, 580SN WT Models Only

1шт.

To See Full DIA KIT Composition Look for all the Figures Where the DIA KIT P/N Is Shown

1шт.

18

84546992

CONSTRUCTION DIA

Uni-Dir, Mechanical Control, Extendable Dipper, Incl 1 - 17

1шт.

Valid for 590SN Model Only

1шт.

To See Full DIA KIT Composition Look for all the Figures Where the DIA KIT P/N Is Shown

1шт.

Выбрано товаров: 0