Запчасти Case 580SN (35.525.AA[13]) - VAR - 423084 - AUXILIARY HYDRAULIC, LINES (35) - HYDRAULIC SYSTEMS

Схема запчастей Case 580SN - (35.525.AA[13]) - VAR - 423084 - AUXILIARY HYDRAULIC, LINES (35) - HYDRAULIC SYSTEMS
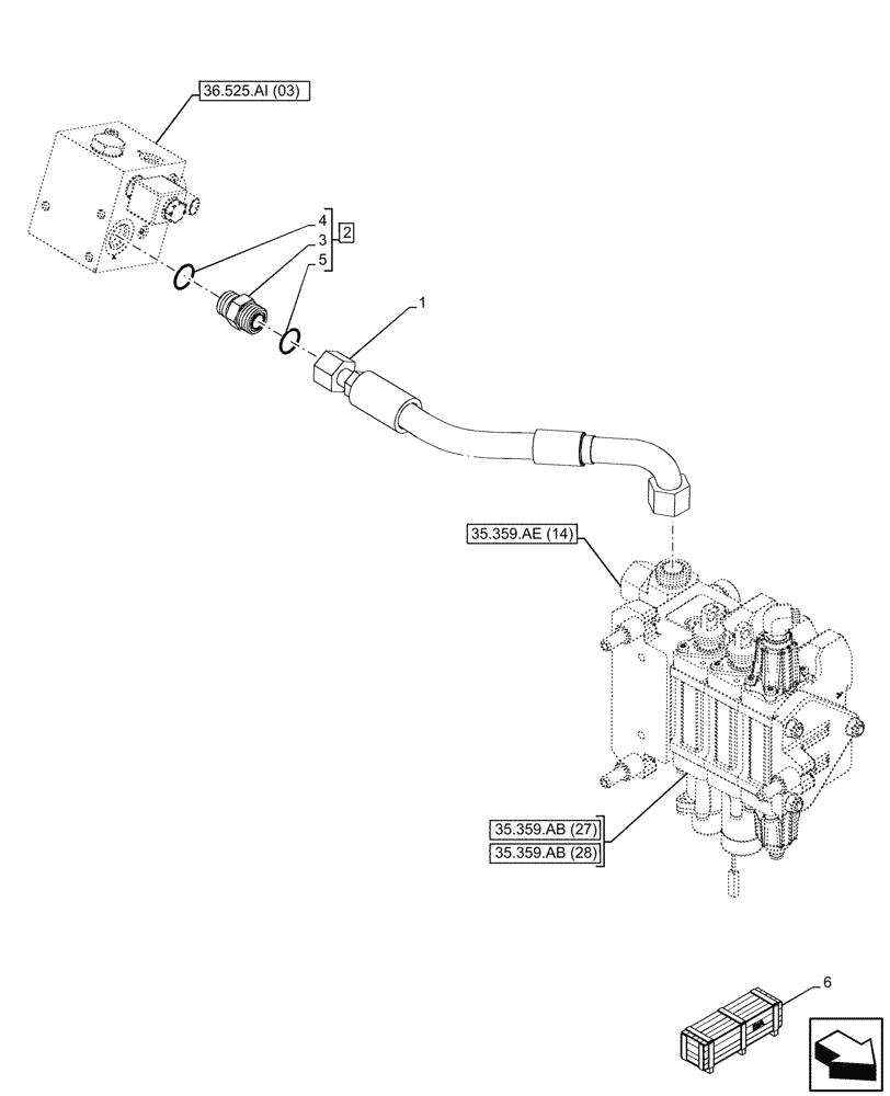
35.359.ab (27)
4
3
6
2
5
1
36.525.ai (03)
35.359.ae (14)
35.359.ab (28)
FIT
1:1
100%

Артикул

Название

Примечание

Количество

1

84275042

HOSE ASSY.,19mm ID x 411mm L

Uni Valve to Loader Valve 3 Spool, Incl 2 - 4

1шт.

2

9840535

HYD CONNECTOR,1-3/16" - 12 ORFS x 1-1/16" - 12 ORB

ASSY , Incl 3 - 5

1шт.

3

NSS

NOT SOLD SEPARAT

Connector, Incl in 2

1шт.

4

167266

O-RING,0.116" Thk x 0.924" ID, -912, Cl 6, 90 Duro

1шт.

5

9991976

O-RING,0.07" Thk x 0.739" ID, -18, Cl 6, 90 Duro

1шт.

6

47501542

CONSTRUCTION DIA

No Auxiliary to Combo, Pilot Control, Extendable Dipper, Incl 1 - 5

1шт.

Valid for 590SN Model Only

1шт.

To See Full DIA KIT Composition Look for all the Figures Where the DIA KIT P/N Is Shown

1шт.

6

47501543

CONSTRUCTION DIA

No Auxiliary to Combo, Pilot Control, Standard Dipper, Incl 1 - 5

1шт.

Valid for 580SN Model Only

1шт.

To See Full DIA KIT Composition Look for all the Figures Where the DIA KIT P/N Is Shown

1шт.

6

47501544

CONSTRUCTION DIA

No Auxiliary to Combo, Pilot Control, Standard Dipper, Incl 1 - 5

1шт.

Valid for 590SN Model Only

1шт.

To See Full DIA KIT Composition Look for all the Figures Where the DIA KIT P/N Is Shown

1шт.

6

47662021

CONSTRUCTION DIA

No Auxiliary to Combo, Pilot Control, Extendable Dipper, Incl 1 - 5

1шт.

Valid for 580SN Model Only

1шт.

To See Full DIA KIT Composition Look for all the Figures Where the DIA KIT P/N Is Shown

1шт.

Выбрано товаров: 17