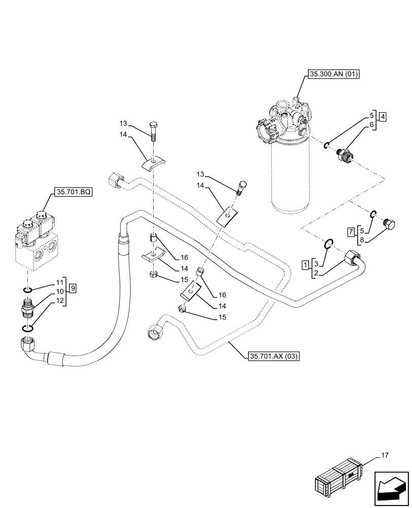
Запчасти Case 580SN (35.701.BR[07]) - VAR - 747873 - RIDE CONTROL, VALVE, HYDRAULIC LINE, TANK - END YR 28-OCT-2016 (35) - HYDRAULIC SYSTEMS

Схема запчастей Case 580SN - (35.701.BR[07]) - VAR - 747873 - RIDE CONTROL, VALVE, HYDRAULIC LINE, TANK - END YR 28-OCT-2016 (35) - HYDRAULIC SYSTEMS
35.701.ax (03)
12
14
16
1
2
15
14
10
8
5
7
5
13
14
6
15
14
13
11
17
9
3
16
4
35.701.bq
35.300.an (01)
FIT
1:1
100%

Артикул

Название

Примечание

Количество

1

84291884

HYD TUBE

Ride Control to Tank, ASSY, Incl 2, 3

1шт.

2

NSS

NOT SOLD SEPARAT

Tube, Incl in 1

1шт.

3

9992069

O-RING,0.07" Thk x 0.614" ID, -16, Cl 6, 90 Duro

1шт.

4

201-132

HYD CONNECTOR,1"-14 ORFS x 7/16"-20 ORB

ASSY, Incl 5 (Qty 1), 6

1шт.

5

237-6006

O-RING,0.078" Thk x 0.468" ID, -906, Cl 6, 90 Duro

2шт.

6

NSS

NOT SOLD SEPARAT

Connector, Incl in 4

1шт.

7

218-5155

PLUG,9/16" - 18 ORB

ASSY, Incl 5 (Qty 1), 8

1шт.

Var. X20236X, Less Ride Control

1шт.

8

NSS

NOT SOLD SEPARAT

Plug, Incl in 7

1шт.

9

201-115

HYD CONNECTOR,1" - 14 Male ORFS x 3/4" - 16 Male ORB

ASSY, Incl 10 - 12

1шт.

10

NSS

NOT SOLD SEPARAT

Connector, Incl in 9

1шт.

11

237-6008

O-RING,0.087" Thk x 0.644" ID, -908, Cl 6, 90 Duro

1шт.

12

238-6016

O-RING,0.07" Thk x 0.614" ID, -16, Cl 6, 90 Duro

1шт.

13

814-10045

BOLT,Hex, M10 x 1.5 x 45mm, Cl 8.8

2шт.

14

D138055

CLAMP

4шт.

15

829-1410

NUT,M10 x 1.5, Cl 10.9

2шт.

16

120303A1

SPACER,11mm ID x 15.82mm OD x 15mm Thk

2шт.

17

47858495

CONSTRUCTION DIA

Ride Control Not Regulated TLB, Incl 1 - 6, 9 - 16

1шт.

To See Full DIA KIT Composition Look for all the Figures Where the DIA KIT P/N Is Shown

1шт.

Выбрано товаров: 19