Запчасти Case 580SN (35.726.AF) - VAR - 423083 - BACKHOE CONTROL VALVE, LINK, ROD (35) - HYDRAULIC SYSTEMS

Схема запчастей Case 580SN - (35.726.AF) - VAR - 423083 - BACKHOE CONTROL VALVE, LINK, ROD (35) - HYDRAULIC SYSTEMS
35.359.af (03)
6
5
13
14
18
8
10
10
17
9
1
4
11
7
12
3
15
16
2
35.359.ab (01)
35.359.af (09)
35.359.af (01)
FIT
1:1
100%

Артикул

Название

Примечание

Количество

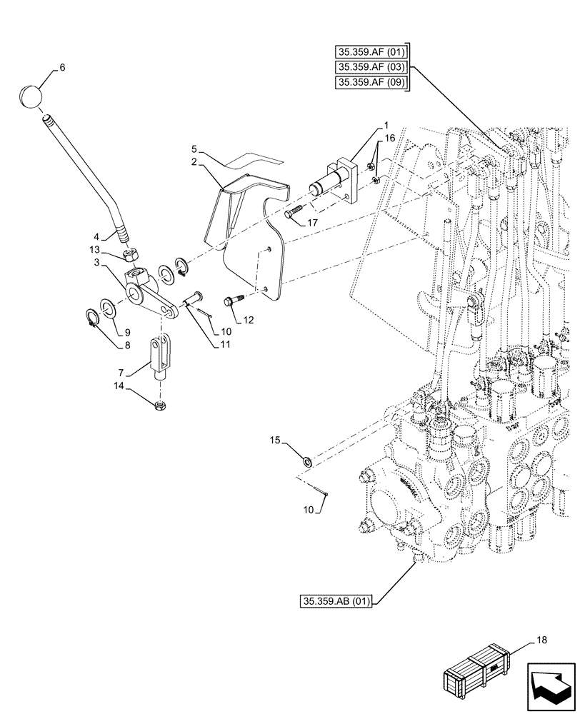
1

87425117

PIVOT

Auxiliary Hydraulic Lever

1шт.

2

87425122

BRACKET

1шт.

3

182006A1

LEVER

1шт.

4

221477A1

THREADED ROD,1/2"-20 UNF x 250mm L

1шт.

5

87430677

DECAL

Auxiliary Hydraulic Backhoe

1шт.

6

D59912

KNOB

1шт.

7

213-126

ADJUSTABLE CLEVIS,3/8"-24 x 2 1/2"

1шт.

8

103-1475

SNAP RING,#75, Ext

2шт.

9

A30881

SEALING WASHER,19.45mm ID x 31.35mm OD

2шт.

10

432-612

COTTER PIN,3/32" x 3/4"

3шт.

11

D149288

PIN,8.33mm OD x 30.66mm L

Clevis 3/8"

1шт.

12

281-14716

SELF-TAP SCREW,Hex Wash Hd, 1/4" x 1"

2шт.

13

425-118

NUT,1/2"-20, G5

1шт.

14

425-156

JAM NUT,Jam, 3/8"-24, G5

1шт.

15

895-11008

WASHER,9mm ID x 16mm OD x 1.6mm Thk

2шт.

16

829-1406

NUT,Hex, M6 x 1, Cl 10.9

2шт.

17

614-6025

BOLT,Hex, M6 x 1 x 25mm, Cl 8.8, Full Thd

2шт.

18

47674139

CONSTRUCTION DIA

No Auxiliary to Combo Auxiliary, Mechanical Control, Extendable Dipper, Incl 1 - 17

1шт.

Valid for 580N EP Model Only

1шт.

To See Full DIA KIT Composition Look for all the Figures Where the DIA KIT P/N Is Shown

1шт.

18

84546982

CONSTRUCTION DIA

No Auxiliary to Combo Auxiliary, Mechanical Control, Extendable Dipper, Incl 1 - 17

1шт.

Valid for 580N, 580SN, 580SN WT Models Only

1шт.

To See Full DIA KIT Composition Look for all the Figures Where the DIA KIT P/N Is Shown

1шт.

18

84546985

CONSTRUCTION DIA

No Auxiliary to Combo Auxiliary, Mechanical Control, Extendable Dipper, Incl 1 - 17

1шт.

Valid for 590SN Model Only

1шт.

To See Full DIA KIT Composition Look for all the Figures Where the DIA KIT P/N Is Shown

1шт.

18

47674141

CONSTRUCTION DIA

No Auxiliary to Combo Auxiliary, Mechanical Control, Standard Dipper, Incl 1 - 17

1шт.

Valid for 580N EP Model Only

1шт.

To See Full DIA KIT Composition Look for all the Figures Where the DIA KIT P/N Is Shown

1шт.

18

84546980

CONSTRUCTION DIA

No Auxiliary to Combo Auxiliary, Mechanical Control, Standard Dipper, Incl 1 - 17

1шт.

Valid for 580N, 580SN, 580SN WT Models Only

1шт.

To See Full DIA KIT Composition Look for all the Figures Where the DIA KIT P/N Is Shown

1шт.

18

84546983

CONSTRUCTION DIA

No Auxiliary to Combo Auxiliary, Mechanical Control, Standard Dipper, Incl 1 - 17

1шт.

Valid for 590SN Model Only

1шт.

To See Full DIA KIT Composition Look for all the Figures Where the DIA KIT P/N Is Shown

1шт.

18

84396878

CONSTRUCTION DIA

Uni-Aux to Combo Auxiliary, W/ Mechanical Control, Standard Dipper, Incl 1 - 17

1шт.

To See Full DIA KIT Composition Look for all the Figures Where the DIA KIT P/N Is Shown

1шт.

18

84396879

CONSTRUCTION DIA

Uni-Aux to Combo Auxiliary, Mechanical Control, Extendable Dipper, Incl 1 - 17

1шт.

To See Full DIA KIT Composition Look for all the Figures Where the DIA KIT P/N Is Shown

1шт.

Выбрано товаров: 39