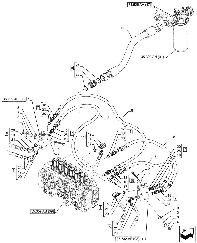
Запчасти Case 580SN (35.732.AE[02]) - STABILIZER, CONTROLS, CHECK VALVE (35) - HYDRAULIC SYSTEMS

Схема запчастей Case 580SN - (35.732.AE[02]) - STABILIZER, CONTROLS, CHECK VALVE (35) - HYDRAULIC SYSTEMS
35.300.an (01)
21
12
20
20
20
13
8
19
21
18
22
2
20
3
4
20
10
17
15
19
7
15
7
5
18
2
19
24
20
6
3
7
3
21
6
8
18
23
18
3
1
18
18
6
25
25
8
20
7
3
1
25
8
21
6
9
16
17
3
19
14
5
4
16
25
20
11
35.525.aa (17)
35.359.ab (09)
35.732.ae (03)
35.732.ae (03)
FIT
1:1
100%

Артикул

Название

Примечание

Количество

1

85802820

CHECK VALVE

ASSY

2шт.

2

87437840

SPACER,11.5mm L

2шт.

3

87687101

WASHER,10.65mm ID x 31mm OD x 3.3mm Thk

6шт.

4

829-1408

NUT,Hex, M8 x 1.25, Cl 10.9

2шт.

5

814-8065

BOLT,Hex, M8 x 1.25 x 65mm, Cl 8.8

2шт.

6

9840543

90 ELBOW,90 Degree, 11/16"-16 x 9/16"-18 Adj, ORFS

ASSY, Incl 19 (Qty 1), 20 (Qty 1), 21 (Qty 1)

4шт.

7

9992342

HYD CONNECTOR,13/16" - 16 ORFS x 9/16" - 18 ORB

ASSY, Incl 18 (Qty 1), 20 (Qty 1), 25 (Qty 1)

4шт.

8

84256813

HYD TUBE,10mm ID x 719mm L

10mm ID x 719mm L, Backhoe Valve to Stabilizer Check Valve

4шт.

9

9824055

HYD CONNECTOR,1-7/16" - 12 ORFS x 1-5/16" - 12 ORB

ASSY, Incl 22 - 24

1шт.

10

84257103

HYDRAULIC HOSE,25.4mm ID x 790mm L

Backhoe Valve To Hydraulic Filter

1шт.

11

201-348

ELBOW,45 Degree Elbow, 13/16" - 16 Male ORFS x 3/4" - 16 Male ORB

ASSY, Incl 12 - 14

1шт.

12

NSS

NOT SOLD SEPARAT

90° Elbow, Incl in 11

1шт.

13

237-6008

O-RING,0.087" Thk x 0.644" ID, -908, Cl 6, 90 Duro

1шт.

14

238-6014

O-RING,0.07" Thk x 0.489" ID, -14, Cl 6, 90 Duro

1шт.

15

9992305

HYD CONNECTOR,13/16" - 16 ORFS x 3/4" - 16 ORB

ASSY, Incl 16 (Qty 1), 17 (Qty 1), 18 (Qty 1)

3шт.

16

NSS

NOT SOLD SEPARAT

Connector, Incl in 15

3шт.

17

128825

O-RING,0.087" Thk x 0.644" ID, -908, Cl 6, 90 Duro

3шт.

18

9992298

O-RING,0.07" Thk x 0.489" ID, -14, Cl 6, 90 Duro

7шт.

19

NSS

NOT SOLD SEPARAT

90° Elbow, Incl in 6

4шт.

20

9617873

O-RING,0.078" Thk x 0.468" ID, -906, Cl 6, 90 Duro

8шт.

21

9993141

O-RING,0.07" Thk x 0.364" ID, -12, Cl 6, 90 Duro

4шт.

22

NSS

NOT SOLD SEPARAT

90° Elbow, Incl in 9

1шт.

23

167268

O-RING,0.116" Thk x 1.171" ID, -916, Cl 6, 90 Duro

1шт.

24

9824050

O-RING,0.07" Thk x 0.926" ID, -21, Cl 6, 90 Duro

1шт.

25

NSS

NOT SOLD SEPARAT

Connector, Incl in 7

4шт.

Выбрано товаров: 25