Запчасти Case 580SN (35.738.AE[06]) - OBJECT HANDLING, LINES, BACKHOE CONTROL VALVE (35) - HYDRAULIC SYSTEMS

Схема запчастей Case 580SN - (35.738.AE[06]) - OBJECT HANDLING, LINES, BACKHOE CONTROL VALVE (35) - HYDRAULIC SYSTEMS
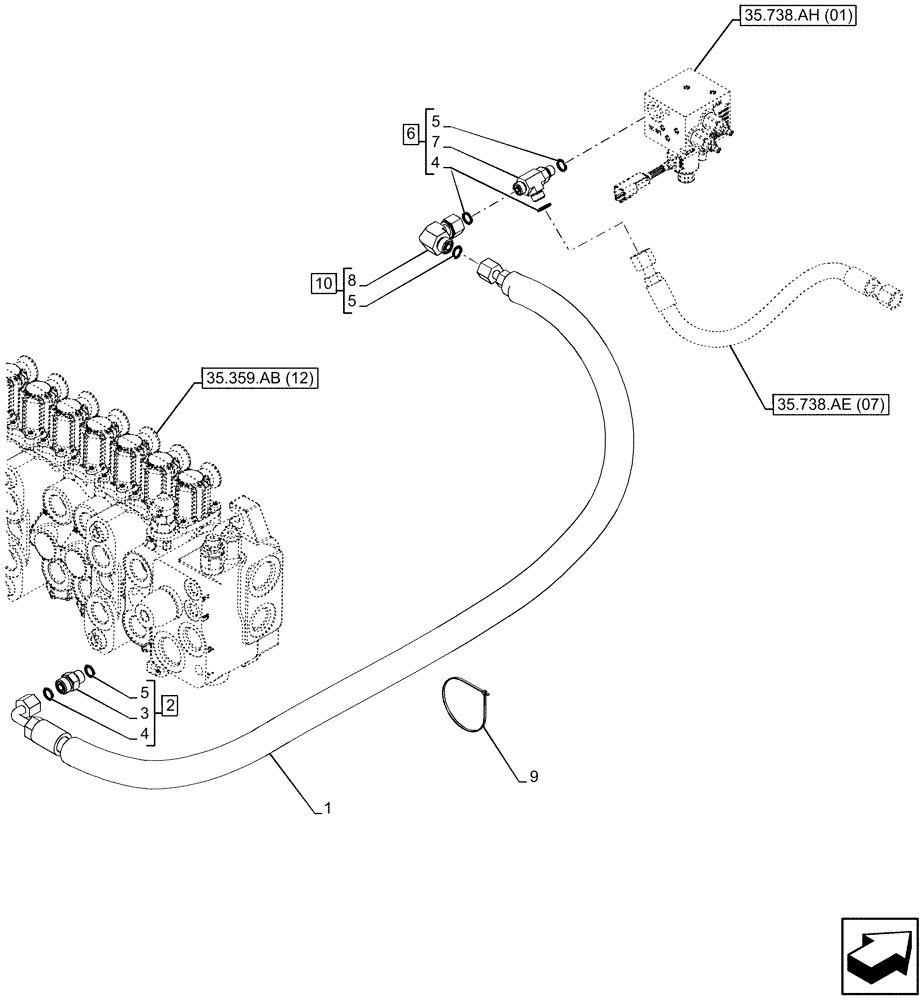
35.738.ae (07)
1
5
5
8
2
9
4
3
6
10
7
4
5
35.738.ah (01)
35.359.ab (12)
FIT
1:1
100%

Артикул

Название

Примечание

Количество

1

84523972

HYDRAULIC HOSE,10mm ID, 1410mm L, SAE100R16 type S

1410mm, from 8 Spool Valve Port L to Heavy Lift Valve Port LS IN

1шт.

2

9993143

HYD CONNECTOR,11/16" - 16 ORFS x 9/16" - 18 ORB

ASSY, Incl 3 - 5

1шт.

3

NSS

NOT SOLD SEPARAT

Connector, Incl in 2

1шт.

4

9617873

O-RING,0.078" Thk x 0.468" ID, -906, Cl 6, 90 Duro

3шт.

5

9993141

O-RING,0.07" Thk x 0.364" ID, -12, Cl 6, 90 Duro

3шт.

6

87305436

HYD CONNECTOR

ASSY, Incl 4, 5, 7

1шт.

7

NSS

NOT SOLD SEPARAT

Tee, Incl in 6

1шт.

8

NSS

NOT SOLD SEPARAT

Elbow 90°, Incl in 10

1шт.

9

L18331

CABLE TIE,375.9mm L, Nylon, Black

2шт.

10

84989392

ELBOW,90 Degree, 11/16"-16 ORFS x 11/16"-16 Fem Sw

ASSY, Incl 5, 8

1шт.

Выбрано товаров: 10