Запчасти Case 580SN (35.738.AE[08]) - VAR - 423080 - OBJECT HANDLING, LINES, PUMP (35) - HYDRAULIC SYSTEMS

Схема запчастей Case 580SN - (35.738.AE[08]) - VAR - 423080 - OBJECT HANDLING, LINES, PUMP (35) - HYDRAULIC SYSTEMS
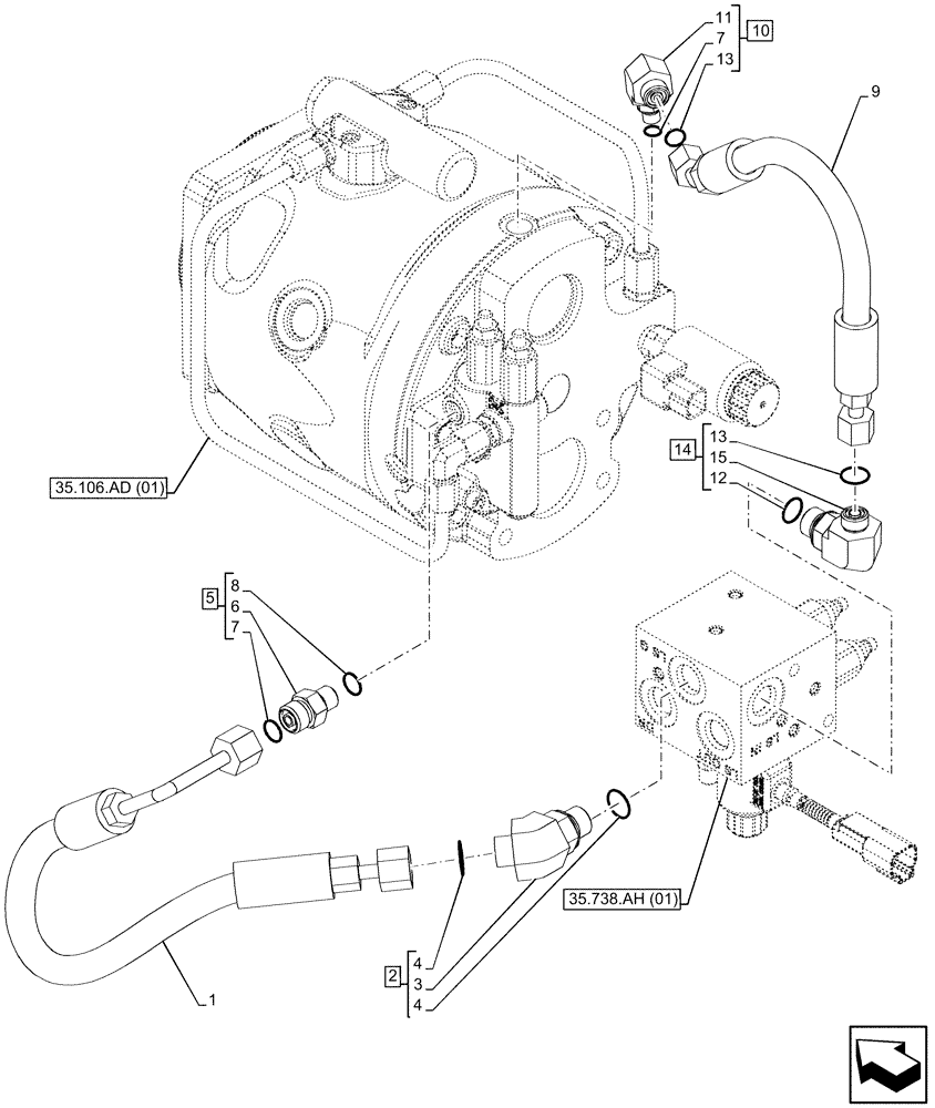
35.106.ad (01)
6
5
3
13
10
14
8
7
4
11
4
2
15
9
1
13
12
7
35.738.ah (01)
FIT
1:1
100%

Артикул

Название

Примечание

Количество

1

84332166

HOSE ASSY.,6.3mm ID x 372mm L

372mm, from Heavy Lift Valve LS G Port to Hyd Pump X Port

1шт.

2

201-328

ELBOW,45 Degree Elbow, 9/16" - 18 Male ORFS x 9/16" - 18 Male ORB

ASSY, Incl 3, 4

1шт.

3

NSS

NOT SOLD SEPARAT

Elbow 45°, Incl in 2

1шт.

4

9617873

O-RING,0.078" Thk x 0.468" ID, -906, Cl 6, 90 Duro

2шт.

5

87681202

HYD CONNECTOR,9/16" - 18 ORFS x 7/16" - 20 ORB

ASSY, Incl 6, 7 (Qty 1), 8

1шт.

6

NSS

NOT SOLD SEPARAT

Connector, Incl in 5

1шт.

7

165202

O-RING,0.072" Thk x 0.351" ID, -904, Cl 6, 90 Duro

2шт.

8

9825770

O-RING,0.07" Thk x 0.301" ID, -11, Cl 6, 90 Duro

1шт.

9

84332151

HOSE ASSY.,10mm ID x 374mm L

374mm, from Heavy Lift Valve LS IN Port to Hyd Pump MB Port

1шт.

10

9843592

ELBOW,11/16"-16 UN-2A x 7/16"-20UN-2A

ASSY, Incl 7 (Qty 1), 11, 13 (Qty 1)

1шт.

11

NSS

NOT SOLD SEPARAT

Elbow 90°, Incl in 10

1шт.

12

128825

O-RING,0.087" Thk x 0.644" ID, -908, Cl 6, 90 Duro

1шт.

13

9993141

O-RING,0.07" Thk x 0.364" ID, -12, Cl 6, 90 Duro

2шт.

14

201-345

ELBOW,90 Degree Elbow, 11/16" - 16 Male ORFS x 3/4" - 16 Male ORB

ASSY, Incl 12, 13 (Qty 1), 15

1шт.

15

NSS

NOT SOLD SEPARAT

Elbow 90°, Incl in 14

1шт.

Выбрано товаров: 15