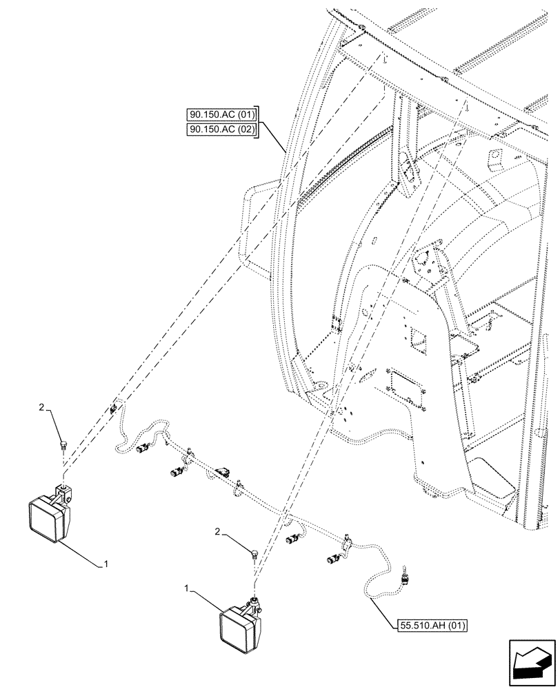
Запчасти Case 580SN (55.404.BS[07]) - VAR - 747853, 747854, 747855 - WORK LIGHT, FRONT (55) - ELECTRICAL SYSTEMS

Схема запчастей Case 580SN - (55.404.BS[07]) - VAR - 747853, 747854, 747855 - WORK LIGHT, FRONT (55) - ELECTRICAL SYSTEMS
55.510.ah (01)
2
1
1
2
90.150.ac (02)
90.150.ac (01)
FIT
1:1
100%

Артикул

Название

Примечание

Количество

1

84236850

LIGHT,Halogen, 12V, 55W, Clear

2шт.

1

47682629

WORK LAMP

LAMP, WORK, LED

2шт.

2

128312A1

FLANGE BOLT,Hvy Hex, M10 x 1.5 x 15mm, Gr 8.8

4шт.

Выбрано товаров: 3