Запчасти Case 580SN (55.405.CW) - BRAKE, LIGHT SWITCH (55) - ELECTRICAL SYSTEMS

Схема запчастей Case 580SN - (55.405.CW) - BRAKE, LIGHT SWITCH (55) - ELECTRICAL SYSTEMS
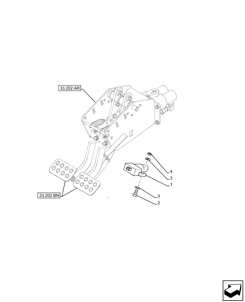
33.202.ar
3
4
1
2
3
33.202.bn
FIT
1:1
100%

Артикул

Название

Примечание

Количество

1

82026949

PUSH BUTTON SWITCH

Brake Lights

2шт.

2

87016468

HEX SOC SCREW,M4 x 25mm, Cl 8.8

4шт.

3

895-11004

WASHER,4.3mm ID x 9mm OD x 0.8mm Thk

8шт.

4

832-10404

NUT,M4 x 0.7, Cl 8.8

4шт.

Выбрано товаров: 4