Запчасти Case 580SN (10.000.00[02]) - SECTION INDEX - ENGINE (10) - ENGINE

Схема запчастей Case 580SN - (10.000.00[02]) - SECTION INDEX - ENGINE (10) - ENGINE
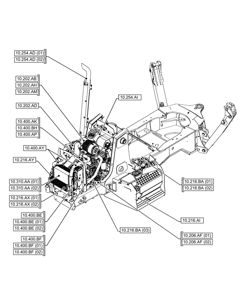
10.216.ay
10.254.ad (02)
10.254.ai
10.400.ay
10.400.be (01)
10.400.be (02)
10.400.bf (02)
10.400.bf
10.400.ak
10.400.bh
10.310.aa (01)
10.310.aa (02)
10.400.be
10.400.ap
10.216.ax (02)
10.216.ax (01)
10.400.bf (01)
10.202.ah
10.206.af (01)
10.216.ai
10.202.ab
10.202.am
10.206.af (02)
10.254.ad (01)
10.216.ba (01)
10.216.ba (03)
10.202.ad
10.216.ba (02)
FIT
1:1
100%