Запчасти Case 580SN (88.100.35[012]) - DIA KIT, NO AUX TO COMBO, EHOE, PC (88) - ACCESSORIES

Схема запчастей Case 580SN - (88.100.35[012]) - DIA KIT, NO AUX TO COMBO, EHOE, PC (88) - ACCESSORIES
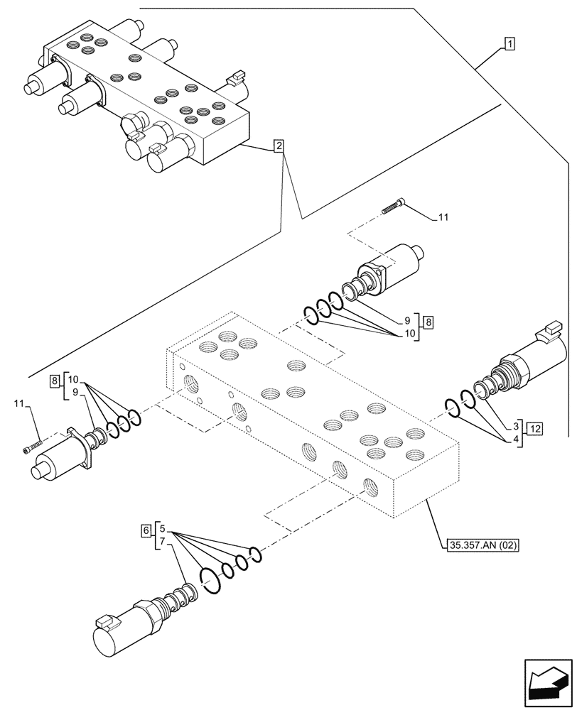
35.357.an (02)
8
2
1
5
7
9
11
9
4
6
8
10
10
3
12
11
FIT
1:1
100%

Артикул

Название

Примечание

Количество

1

47662021

CONSTRUCTION DIA

No Auxiliary to Combo, Pilot Control, Extendable Dipper, Incl 2 -12

1шт.

2

47765052

HYDRAULIC VALVE

ASSY, Proportional Pilot Pressure

1шт.

3

NSS

NOT SOLD SEPARAT

Valve, Incl in 12

1шт.

4

85827998

SEAL KIT

1шт.

5

85828002

SEAL KIT

2шт.

6

85827996

SOLENOID VALVE,2 Section

ASSY, Incl 5,7

2шт.

7

NSS

NOT SOLD SEPARAT

Valve, Incl in 6

2шт.

8

85827993

SOLENOID VALVE

ASSY, Pressure Reducing, Incl 9 (Qty 1), 10 (Qty 1)

4шт.

9

NSS

NOT SOLD SEPARAT

Valve, Incl in 8

1шт.

10

85828000

SEAL KIT

4шт.

11

14302921

HEX SOC SCREW,M4 x 10mm, Cl 8.8, Full Thd

8шт.

12

85827994

SOLENOID VALVE

ASSY, Incl 3, 4

1шт.

Выбрано товаров: 12