Запчасти Case 580SN (88.100.35[094]) - DIA KIT, DIPPER OSCILLATION (88) - ACCESSORIES

Схема запчастей Case 580SN - (88.100.35[094]) - DIA KIT, DIPPER OSCILLATION (88) - ACCESSORIES
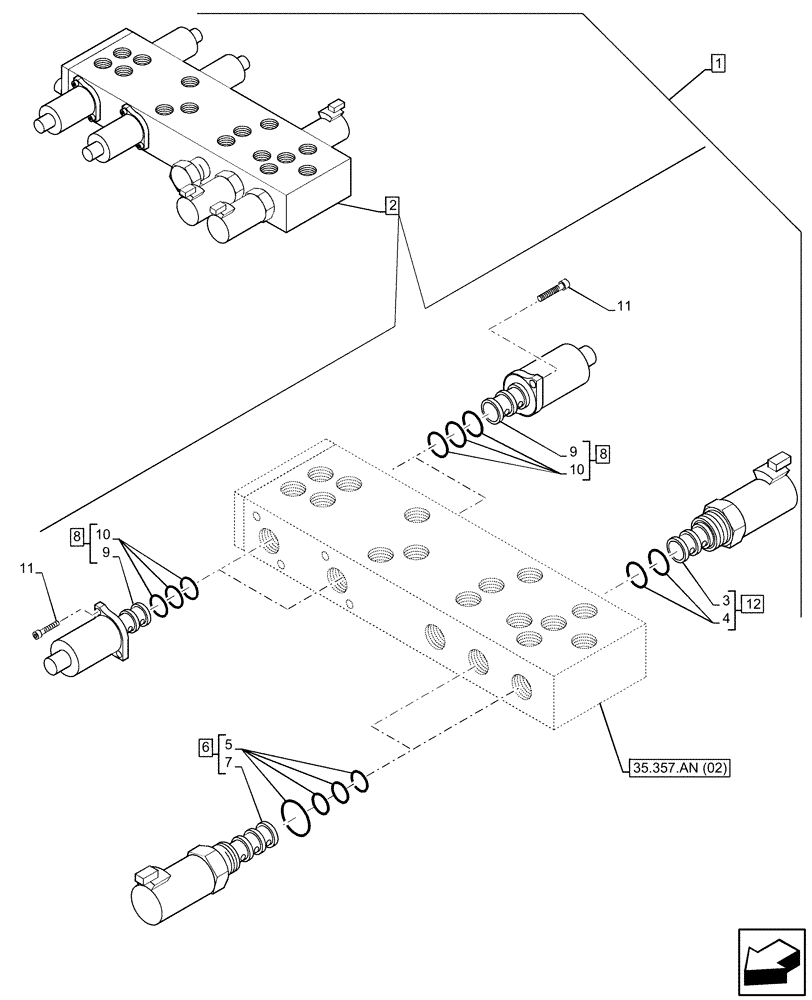
35.357.an (02)
12
7
11
8
5
11
6
9
3
9
1
8
10
4
2
10
FIT
1:1
100%

Артикул

Название

Примечание

Количество

1

47593980

CONSTRUCTION DIA

Dipper Oscillation, Incl 2 - 10

1шт.

2

47765052

HYDRAULIC VALVE

ASSY, Proportional Pilot Pressure

1шт.

3

NSS

NOT SOLD SEPARAT

Valve, Incl in 12

1шт.

4

85827998

SEAL KIT

1шт.

5

85828002

SEAL KIT

2шт.

6

85827996

SOLENOID VALVE,2 Section

ASSY, Incl 5, 7

2шт.

7

NSS

NOT SOLD SEPARAT

Valve, Incl in 6

2шт.

8

85827993

SOLENOID VALVE

ASSY, Pressure reducing, Incl 9 (Qty1), 10 (Qty1)

4шт.

9

NSS

NOT SOLD SEPARAT

Valve, Incl in 8

4шт.

10

85828000

SEAL KIT

4шт.

11

14302921

HEX SOC SCREW,M4 x 10mm, Cl 8.8, Full Thd

8шт.

12

85827994

SOLENOID VALVE

ASSY, Incl 3, 4

1шт.

Выбрано товаров: 12