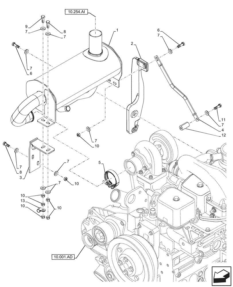
Запчасти Case 580SN (10.254.AI) - ENGINE, MUFFLER (10) - ENGINE

Схема запчастей Case 580SN - (10.254.AI) - ENGINE, MUFFLER (10) - ENGINE
10.254.ai
10
8
4
6
6
5
10
3
10
7
9
12
2
7
10
10
11
7
7
8
7
7
7
7
13
7
1
10.001.ad
FIT
1:1
100%

Артикул

Название

Примечание

Количество

1

87617604

MUFFLER,W/O Spark Arrestor, Aspirated

Aspirated Electronic Engine

1шт.

2

87451167

SUPPORT

Mounting Muffler

1шт.

3

87612343

BRACKET

Front Muffler Support

1шт.

4

87549969

ROD,15.8mm OD

Muffler Stabilizer

1шт.

5

A170467

CLAMP,72mm ID

1шт.

6

827-10045

BOLT,Hex, M10 x 1.5 x 45mm, Cl 10.9

4шт.

7

896-15010

WASHER,11mm ID x 24mm OD x 3mm Thk

15шт.

8

627-10030

BOLT,Hex, M10 x 1.5 x 30mm, Cl 10.9, Full Thd

3шт.

9

827-10040

BOLT,Hex, M10 x 1.5 x 40mm, Cl 10.9, Full Thd

1шт.

10

829-1410

NUT,M10 x 1.5, Cl 10.9

7шт.

11

827-10060

BOLT,Hex, M10 x 1.5 x 60mm, Cl 10.9

1шт.

12

515-23143

CLAMP,9/16", Insul, 3/8" Bolt

1шт.

13

87549973

SPACER,11mm ID x 19.05mm OD x 13mm L

1шт.

Выбрано товаров: 13