Запчасти Case 580SN (33.110.11) - VAR - 423062 - PARKING BRAKE - POWERSHIFT 4WD, SPS (33) - BRAKES & CONTROLS

Схема запчастей Case 580SN - (33.110.11) - VAR - 423062 - PARKING BRAKE - POWERSHIFT 4WD, SPS (33) - BRAKES & CONTROLS
7
15
12
14
8
9
13
33.110.02
4
3
55.031.02
21.113.0402 02
10
1
5
2
11
6
FIT
1:1
100%

Артикул

Название

Примечание

Количество

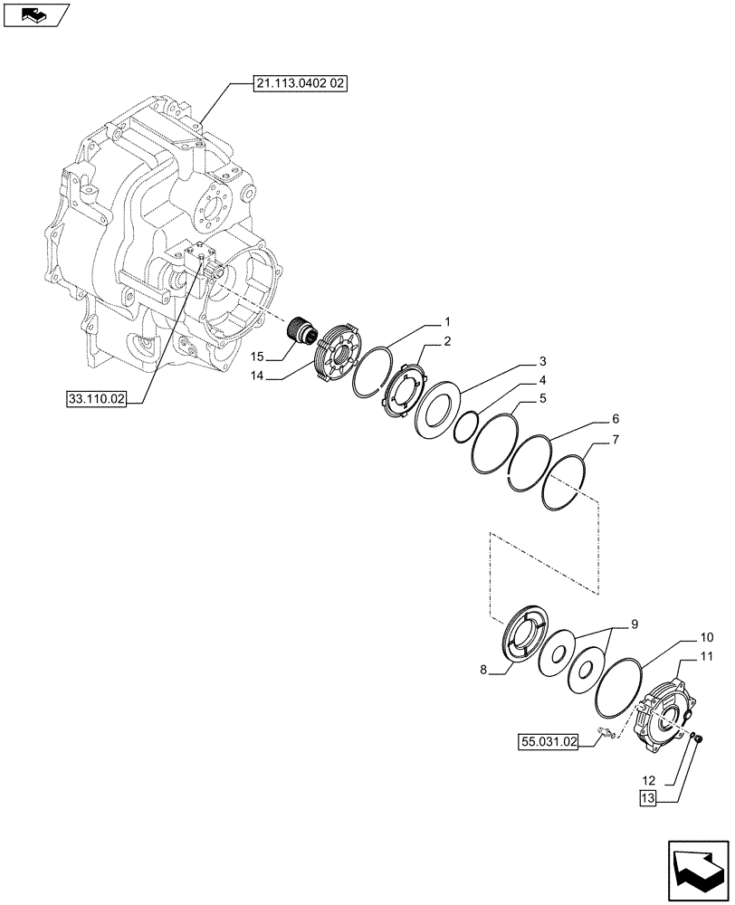
1

87701325

SPACER

5шт.

2

87701324

BRAKE PLATE

1шт.

3

87701323

RETAINING PLATE

1шт.

4

87701321

SEALING RING

1шт.

5

87701320

O-RING

1шт.

6

87701315

RING

1шт.

7

87701318

SEALING RING

1шт.

8

87701317

PISTON

1шт.

9

363485A1

BELLEVILLE WASHER,61mm ID x 170mm OD x 4.6mm Thk

2шт.

10

87701310

O-RING,0.103" Thk x 8.237" ID, -172, Cl 5, 75 Duro

1шт.

11

87701309

COVER

1шт.

12

9617873

O-RING,0.078" Thk x 0.468" ID, -906, Cl 6, 90 Duro

1шт.

13

9625178

PLUG,9/16" - 18 ORB

Assy, Incl 12

4шт.

14

87701327

BRAKE PACKAGE

1шт.

15

87701328

BUSHING

1шт.

Выбрано товаров: 15