Запчасти Case 580SN (35.726.1910) - BACKHOE CONTROL VALVE, 7-SPOOL, MOUNTING PARTS, EXTENDABLE DIPPER, W/ FOOT SWING CONTROLS (35) - HYDRAULIC SYSTEMS

Схема запчастей Case 580SN - (35.726.1910) - BACKHOE CONTROL VALVE, 7-SPOOL, MOUNTING PARTS, EXTENDABLE DIPPER, W/ FOOT SWING CONTROLS (35) - HYDRAULIC SYSTEMS
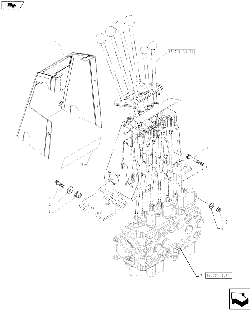
35.726.1607
9
1
6
home
8
7
5
3
2
4
35.726.30 01
FIT
1:1
100%

Артикул

Название

Примечание

Количество

1

390760A1

COVER

1шт.

2

D52276

ISOLATOR,10.16mm ID x 28.07mm OD x mm L

1шт.

3

87687101

WASHER,10.65mm ID x 31mm OD x 3.3mm Thk

2шт.

4

614-10035

BOLT,Hex, M10 x 1.5 x 35mm, Cl 8.8, Full Thd

1шт.

5

814-10080

BOLT,Hex, M10 x 1.5 x 80mm, Cl 8.8

2шт.

6

87655046

SPECIAL WASHER,10.65mm ID x 23mm OD x 2.2mm Thk

2шт.

7

829-1410

NUT,M10 x 1.5, Cl 10.9

2шт.

8

D149825

DECAL

Upper; Extendahoe Control Pattern; With Foot Swing

1шт.

9

84273238

VALVE

Assy, Serial Range: -C7373

1шт.

9

47578534

VALVE

Assy, Start Serial: D7373

1шт.

Выбрано товаров: 10