Запчасти Case 580SN (35.726.1912) - BACKHOE CONTROL VALVE, 7-SPOOL, MOUNTING PARTS, STANDARD DIPPER, W/ FOOT SWING CONTROLS (35) - HYDRAULIC SYSTEMS

Схема запчастей Case 580SN - (35.726.1912) - BACKHOE CONTROL VALVE, 7-SPOOL, MOUNTING PARTS, STANDARD DIPPER, W/ FOOT SWING CONTROLS (35) - HYDRAULIC SYSTEMS
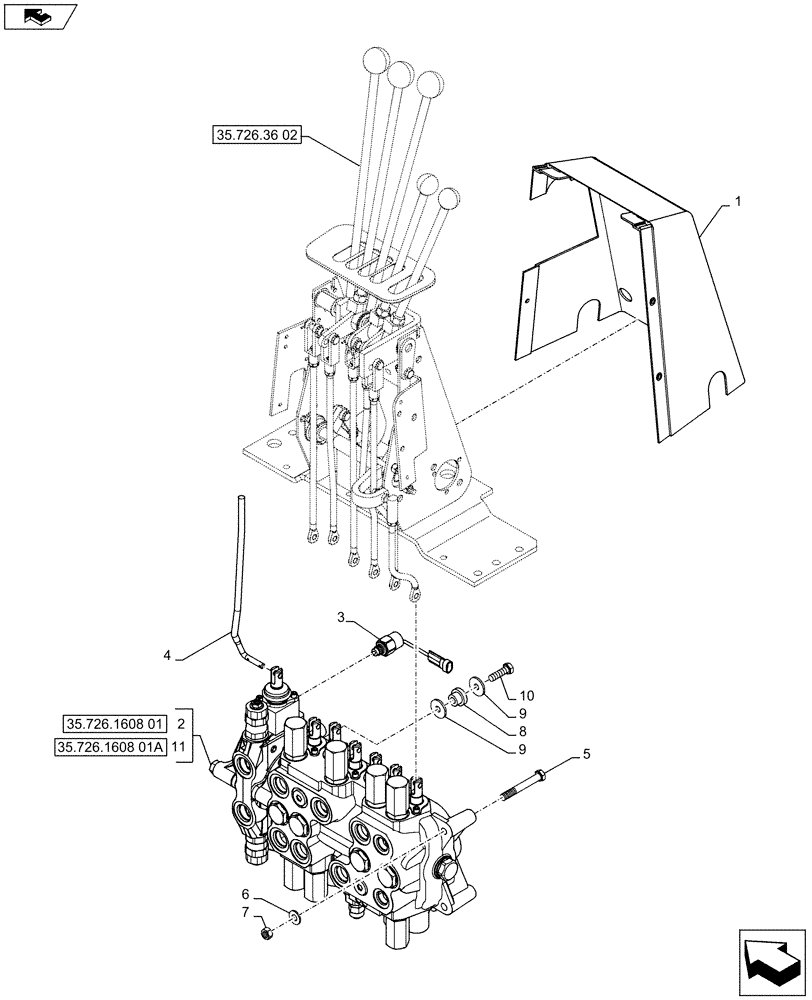
35.726.36 02
1
9
4
7
10
3
8
home
2
9
11
5
6
35.726.1608 01a
35.726.1608 01
FIT
1:1
100%

Артикул

Название

Примечание

Количество

1

87411083

COVER

See Fig 35.726.27 or 29 for Attaching Cover

1шт.

2

84273245

VALVE

Assy, Serial Range: -C7373

1шт.

3

84128131

SOLENOID

1шт.

4

84398267

ADJUSTMENT ROD,9.525mm D x 315.2mm L

1шт.

5

814-10080

BOLT,Hex, M10 x 1.5 x 80mm, Cl 8.8

2шт.

6

87655046

SPECIAL WASHER,10.65mm ID x 23mm OD x 2.2mm Thk

2шт.

7

829-1410

NUT,M10 x 1.5, Cl 10.9

2шт.

8

D52276

ISOLATOR,10.16mm ID x 28.07mm OD x mm L

1шт.

9

87687101

WASHER,10.65mm ID x 31mm OD x 3.3mm Thk

2шт.

10

614-10035

BOLT,Hex, M10 x 1.5 x 35mm, Cl 8.8, Full Thd

1шт.

11

47578535

VALVE

Assy, Start Serial: D7373

1шт.

Выбрано товаров: 11