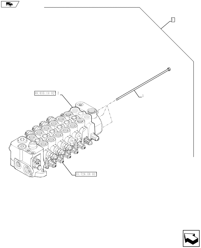
Запчасти Case 580SN (88.035.14[01]) - DIA KIT, BI-AUX, BACKHOE VALVE SECTION, PILOT CONTROLS (88) - ACCESSORIES

Схема запчастей Case 580SN - (88.035.14[01]) - DIA KIT, BI-AUX, BACKHOE VALVE SECTION, PILOT CONTROLS (88) - ACCESSORIES
35.726.58 01
1
88.035.14 02
3
home
2
FIT
1:1
100%

Артикул

Название

Примечание

Количество

1

84376312

CONSTRUCTION DIA

Bi-Aux, Backhoe Valve Section, Pilot Controls, Incl 2 - 3, Serial Range: -`0

1шт.

See Ref. 88.035.14 [02]

1шт.

2

84278691

HYD VALVE SECTION

1шт.

3

87451933

BOLT AND NUT

, Serial Range: -`0

3шт.

7-Spools Control Valve Only

1шт.

3

87447477

SET OF PARTS

, Serial Range: -`0

3шт.

8-Spools Control Valve Only

1шт.

Выбрано товаров: 7