Запчасти Case 580SN (88.035.24[01]) - DIA KIT, MECH CONTROLS, 3 SPOOLS, POWERSHIFT TRANSMISSION (88) - ACCESSORIES

Схема запчастей Case 580SN - (88.035.24[01]) - DIA KIT, MECH CONTROLS, 3 SPOOLS, POWERSHIFT TRANSMISSION (88) - ACCESSORIES
13
3
9
9
5
8
1
11
10
10
home
4
10
88.035.24 02
9
2
6
12
7
10
9
FIT
1:1
100%

Артикул

Название

Примечание

Количество

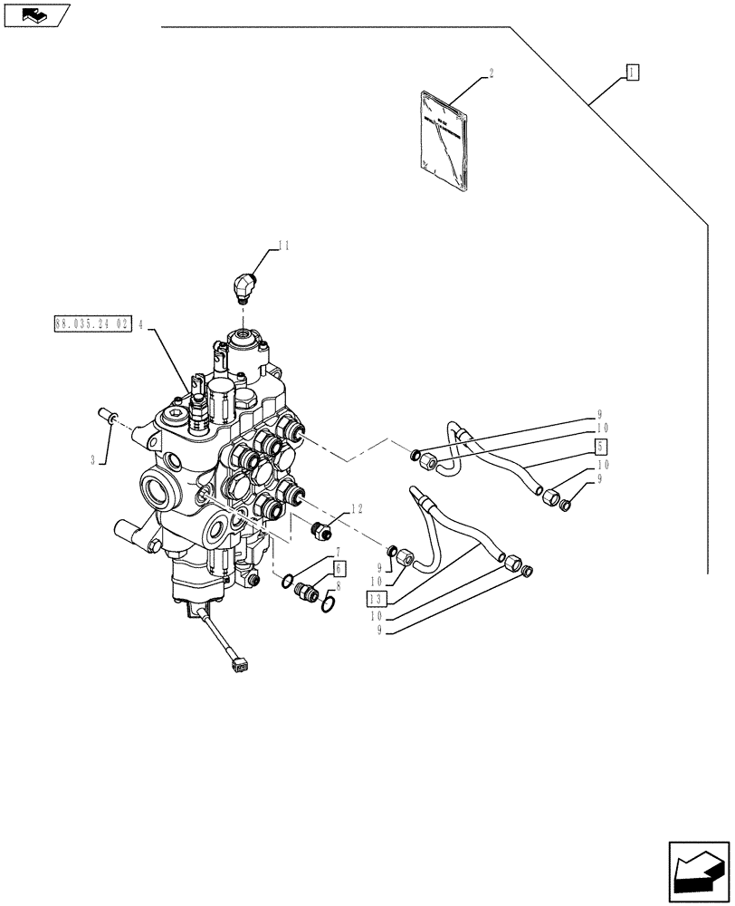
1

84484675

KIT

Mech Controls, 3 Spools, Powershift Transmission, Incl 2 - 13

1шт.

See Ref. 88.035.24 [02] to 88.035.24 [11]

1шт.

Refer to Installation Instructions for Correct Assembly Procedure

1шт.

2

84484691

INSTRUCTION

1шт.

3

87417721

THREADED INSERT,M10 x 1.5-6H x 29 L

3шт.

4

84218283

VALVE

Assy

1шт.

5

84293160

TUBE

Assy, Incl 9 - 10

1шт.

6

9621483

HYD CONNECTOR,1"-14 ORFS x 7/8"-14 ORB

Assy, Incl 7 - 8

2шт.

7

167269

O-RING,0.097" Thk x 0.755" ID, -910, Cl 6, 90 Duro

1шт.

8

128359

O-RING,0.07" Thk x 0.614" ID, -16, Cl 5, 75 Duro

1шт.

9

203-911

SLEEVE,ORFS, 5/8" Tube, Braze

2шт.

10

703-903

TUBE NUT,1" - 14

2шт.

11

9840542

ELBOW,90 Degree, 9/16"-18 x 9/16"-18, Adj, ORFS

2шт.

12

84139327

HYD CONNECTOR

1шт.

13

84293158

TUBE

Assy, Incl 9 - 10

1шт.

Выбрано товаров: 15