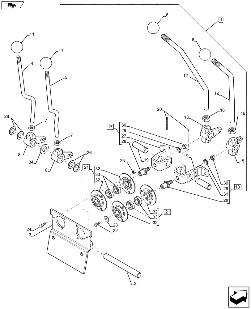
Запчасти Case 580SN (88.035.30[02]) - DIA KIT, CONVERSION FT SWING TO 2 LEVER, STANDARD DIPPER (88) - ACCESSORIES

Схема запчастей Case 580SN - (88.035.30[02]) - DIA KIT, CONVERSION FT SWING TO 2 LEVER, STANDARD DIPPER (88) - ACCESSORIES
28
21
25
26
12
32
26
7
21
30
29
24
home
2
16
32
19
17
19
18
8
3
34
31
13
11
30
28
33
15
7
4
14
33
16
29
11
5
6
23
32
6
32
22
1
8
20
27
FIT
1:1
100%

Артикул

Название

Примечание

Количество

1

84487939

KIT

Conversion Swing to 2 Lever, Incl 2 - 34

1шт.

See Ref. 88.035.30 [01], 88.035.30 [03]

1шт.

Refer to Installation Instructions for Correct Assembly Procedure

1шт.

2

450702A1

LEVERSHAFT

1шт.

3

108864A1

SUPPORT

1шт.

4

87308276

CONTROL LEVER

1шт.

5

87308277

CONTROL LEVER

1шт.

6

D59912

KNOB

2шт.

7

425-118

NUT,1/2"-20, G5

2шт.

8

108924A1

LEVER

1шт.

9

108923A1

LEVER

1шт.

10

495-11081

WASHER,3/4", SAE

1шт.

11

D39118

KNOB

2шт.

12

87308274

CONTROL LEVER

1шт.

13

106989A1

LEVER

1шт.

14

87308275

CONTROL LEVER

1шт.

15

106990A1

LEVER

1шт.

16

425-1110

NUT,5/8"-18, G5

2шт.

17

178006A1

LEVER

Assy, Incl 27 - 30

1шт.

18

178004A1

LEVER

Assy, Incl 28 - 31

1шт.

19

102765A1

PIN,19.5mm OD x 63mm L

2шт.

20

432-828

COTTER PIN,1/8" x 1 3/4"

2шт.

21

112380A1

BEARING ASSY

Assy, Incl 32 - 33

4шт.

22

614-6016

BOLT,Hex, M6 x 1 x 16mm, Cl 8.8, Full Thd

2шт.

23

396-41028

WASHER,.281" x 7/8" x .098", HDN

2шт.

24

614-6020

BOLT,Hex, M6 x 1 x 20mm, Cl 8.8, Full Thd

6шт.

25

829-1406

NUT,Hex, M6 x 1, Cl 10.9

6шт.

26

A30881

SEALING WASHER,19.45mm ID x 31.35mm OD

4шт.

27

NSS

NOT SOLD SEPARAT

Bellcrank, Incl in 17

1шт.

28

176309A1

SHAFT,M10 x 1.5, 48.74mm L

1шт.

29

895-11010

WASHER,11mm ID x 20mm OD x 2mm Thk

1шт.

30

829-1410

NUT,M10 x 1.5, Cl 10.9

1шт.

31

NSS

NOT SOLD SEPARAT

Bellcrank, Incl in 18

1шт.

32

NSS

NOT SOLD SEPARAT

Retainer - Bearing, Incl in 21

1шт.

33

102776A1

BEARING, BALL,17 mm ID x 40 mm OD x 12 mm

1шт.

34

495-11081

WASHER,3/4", SAE

1шт.

Выбрано товаров: 36