Запчасти Case 580SN (88.035.43[09]) - DIA KIT, NO AUX TO COMBO, STANDARD, PILOT CONTROLS (88) - ACCESSORIES

Схема запчастей Case 580SN - (88.035.43[09]) - DIA KIT, NO AUX TO COMBO, STANDARD, PILOT CONTROLS (88) - ACCESSORIES
7
2
6
4
88.035.43 10
35.726.5701 01
35.726.5901 01
6
35.726.5801 01
1
3
home
5
35.726.5601 01
FIT
1:1
100%

Артикул

Название

Примечание

Количество

1

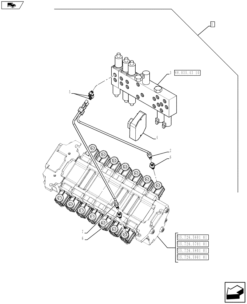
47360416

CONSTRUCTION DIA

NO AUX TO COMBO, STANDARD, PILOT CONTROLS, Incl 2 - 7

1шт.

See Ref. 88.035.43 [01] to 88.035.43 [08], 88.035.43 [10]

1шт.

Refer to Installation Instructions for Correct Assembly Procedure

1шт.

2

87438015

HYD TUBE

1шт.

3

85827471

HYDRAULIC VALVE

Assy

1шт.

4

84266025

MODULE

1шт.

5

218-5053

HYD CONNECTOR,7/16" - 20 JIC x 7/16" - 20 ORB

2шт.

6

218-5089

HYD CONNECTOR,7/16" - 20 Male JIC x 9/16" - 18 Male ORB

2шт.

7

87438012

HYD TUBE

1шт.

Выбрано товаров: 9