Запчасти Case 580SN (88.035.60[02]) - DIA KIT, NO AUX TO COMBO, MECHANICAL CONTROLS AUX, STANDARD (88) - ACCESSORIES

Схема запчастей Case 580SN - (88.035.60[02]) - DIA KIT, NO AUX TO COMBO, MECHANICAL CONTROLS AUX, STANDARD (88) - ACCESSORIES
11
12
10
39.100.02
12
9
7
4
39.100.0202
35.106.01
8
88.035.60 03
14
3
5
6
39.100.0201
35.726.56 01
39.100.0201
6
home
3
1
35.106.0101 01
2
13
39.100.02
35.726.5601 01
FIT
1:1
100%

Артикул

Название

Примечание

Количество

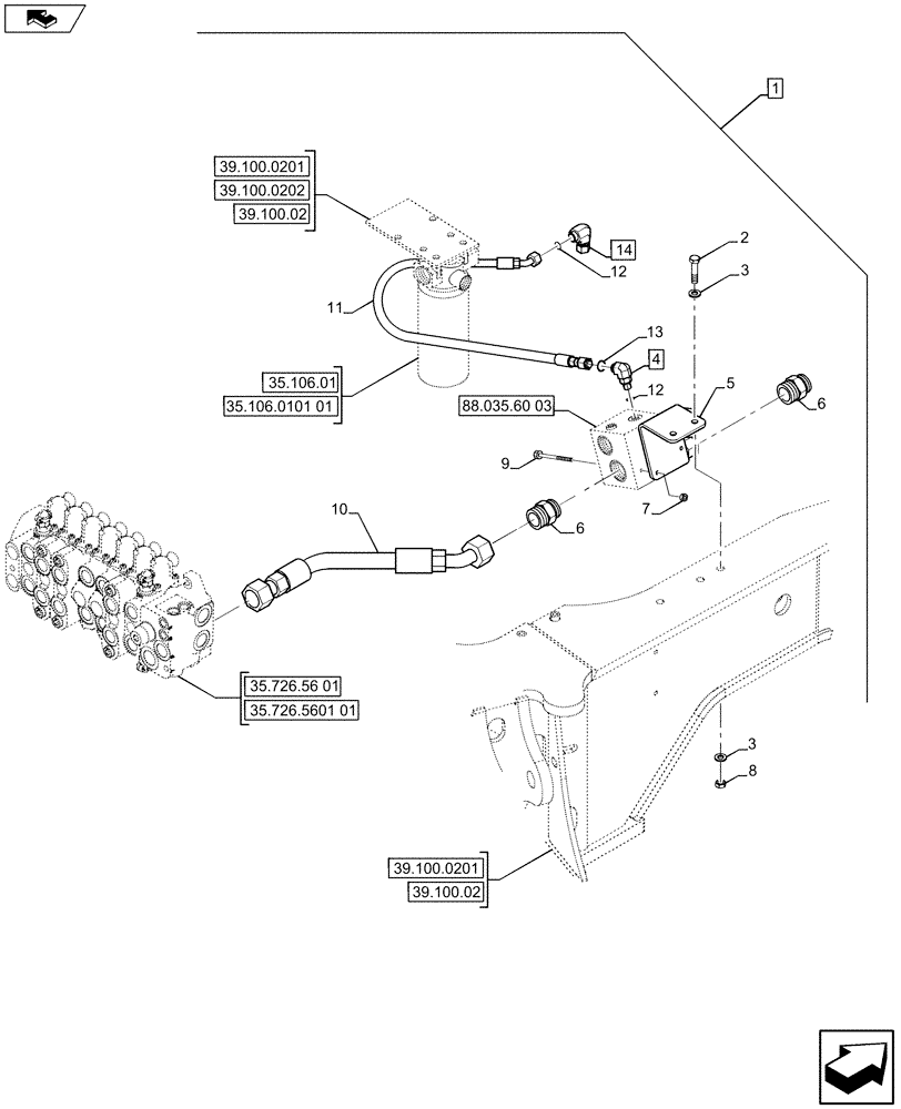
1

84546980

CONSTRUCTION DIA

NO AUX TO COMBO AUX, MECHANICAL CONTROLS, STANDARD, Incl 2 - 14

1шт.

See Ref. 88.035.60 [01], 88.035.60 [03] to 88.035.60 [14]

1шт.

Refer to Installation Instructions for Correct Assembly Procedure

1шт.

2

9706702

BOLT,Hex, M12 x 1.75 x 50mm, Cl 8.8

2шт.

3

87655043

WASHER,M12, 13.65mm ID x 24.90mm OD x 3.20mm, HT Boron, ZNM

4шт.

4

9840543

90 ELBOW,90 Degree, 11/16"-16 x 9/16"-18 Adj, ORFS

Assy, Incl 13 - 12

1шт.

5

84257782

BRACKET

1шт.

6

87303844

HYD CONNECTOR,1-7/16" - 12 ORFS x 1-1/16" - 12 ORB

2шт.

7

43362

NUT,M8 x 1.25, Cl 10

2шт.

8

337475

NUT,M12, Cl 10

2шт.

9

1960667

HEX SOC SCREW,M8 x 90mm, Cl 8.8

2шт.

10

84283270

HOSE ASSY.,19mm ID x 415mm L

1шт.

11

84514723

HOSE ASSY.,10mm ID x 1035mm L

1шт.

12

9993141

O-RING,0.07" Thk x 0.364" ID, -12, Cl 6, 90 Duro

1шт.

13

9617873

O-RING,0.078" Thk x 0.468" ID, -906, Cl 6, 90 Duro

1шт.

14

9993141

O-RING,0.07" Thk x 0.364" ID, -12, Cl 6, 90 Duro

Assy, Incl 12

1шт.

Выбрано товаров: 16