Запчасти Case 580SN (88.035.60[06]) - DIA KIT, NO AUX TO COMBO AUX, MECHANICAL CONTROLS, STANDARD (88) - ACCESSORIES

Схема запчастей Case 580SN - (88.035.60[06]) - DIA KIT, NO AUX TO COMBO AUX, MECHANICAL CONTROLS, STANDARD (88) - ACCESSORIES
35.726.2002 01
35.726.2001 01
35.726.20 01
1
35.724.15
35.726.2003 01
2
35.724.16
home
FIT
1:1
100%

Артикул

Название

Примечание

Количество

1

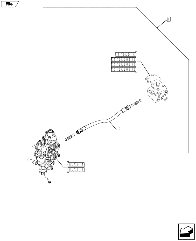
84546980

CONSTRUCTION DIA

NO AUX TO COMBO AUX, MECHANICAL CONTROLS, STANDARD, Incl 2

1шт.

See Ref. 88.035.60 [01] to 88.035.60 [05], 88.035.60 [07] to 88.035.60 [14]

1шт.

Refer to Installation Instructions for Correct Assembly Procedure

1шт.

2

84283268

HOSE ASSY.,19mm ID x 440mm L, SAE 100R16 Type S

1шт.

Выбрано товаров: 4