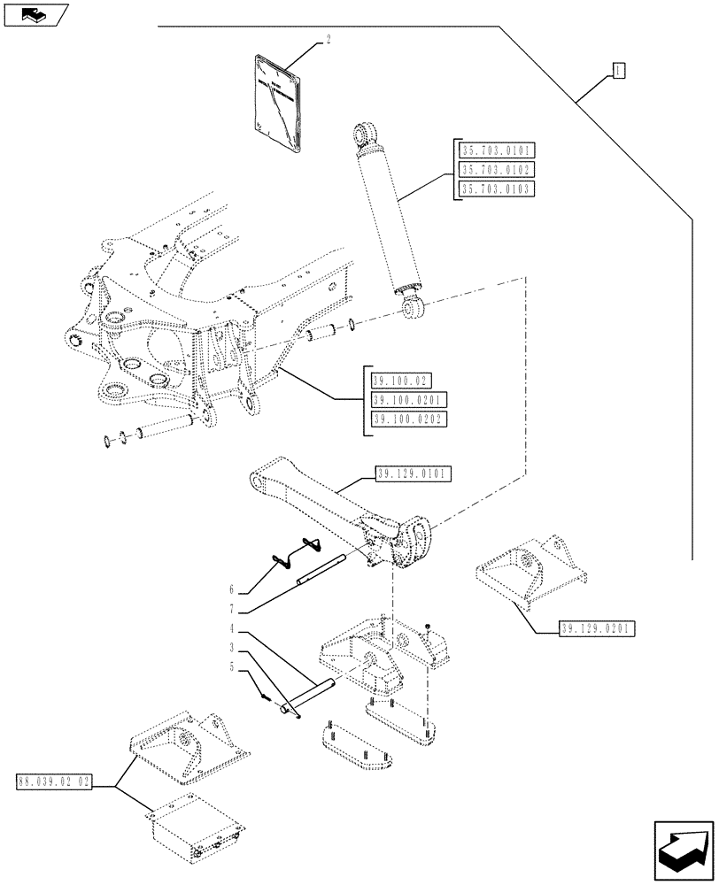
Запчасти Case 580SN (88.039.02[01]) - DIA KIT, FLIP STABILIZER PAD (88) - ACCESSORIES

Схема запчастей Case 580SN - (88.039.02[01]) - DIA KIT, FLIP STABILIZER PAD (88) - ACCESSORIES
1
39.100.02
7
5
3
35.703.0101
2
6
39.129.0101
home
35.703.0102
39.100.0202
35.703.0103
88.039.02 02
39.129.0201
39.100.0201
4
FIT
1:1
100%

Артикул

Название

Примечание

Количество

1

84276999

KIT

Flip Stabilizer Pad, Incl 2 - 7, Serial Range: -`0

1шт.

See Ref. 88.039.02 [02],Refer to Installation Instructions for Correct Assembly Procedure

1шт.

2

84399663

INSTRUCTION

1шт.

3

832-10410

NUT,M10 x 1.5, Cl 8

2шт.

4

D149033

PIN,38.1mm OD x 323.5mm L

1шт.

5

814-10050

BOLT,Hex, M10 x 1.5 x 50mm, Cl 8.8

2шт.

6

446454A1

PIN,4.5mm OD x 305mm L

1шт.

7

84290956

PIVOT PIN,25.4mm OD x 300mm L

1шт.

Выбрано товаров: 8