Запчасти Case 580SN (88.039.02[02]) - DIA KIT, FLIP STABILIZER PAD (88) - ACCESSORIES

Схема запчастей Case 580SN - (88.039.02[02]) - DIA KIT, FLIP STABILIZER PAD (88) - ACCESSORIES
4
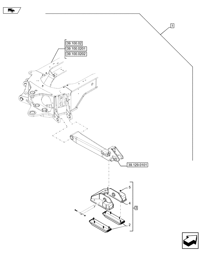
1
39.100.02
39.100.0201
3
39.100.0202
5
39.129.0101
2
home
FIT
1:1
100%

Артикул

Название

Примечание

Количество

1

84276999

KIT

Flip Stabilizer Pad, Incl 2 - 5, Serial Range: -`0

1шт.

See Ref. 88.039.02 [01],Refer to Installation Instructions for Correct Assembly Procedure

1шт.

2

47432044

PAD

2шт.

3

84290975

PAD

Assy, Incl 2, 4 - 5

1шт.

4

84290984

PAD

1шт.

5

832-41312

NUT,M12 x 1.75, Cl 10

8шт.

Выбрано товаров: 6