Запчасти Case 580SN (88.050.01[01]) - DIA KIT, A/C HPCR (88) - ACCESSORIES

Схема запчастей Case 580SN - (88.050.01[01]) - DIA KIT, A/C HPCR (88) - ACCESSORIES
7
6
5
15
3
4
3
home
3
8
50.200.0202
12
14
9
3
2
39.100.02
13
4
3
8
1
14
11
10
8
FIT
1:1
100%

Артикул

Название

Примечание

Количество

1

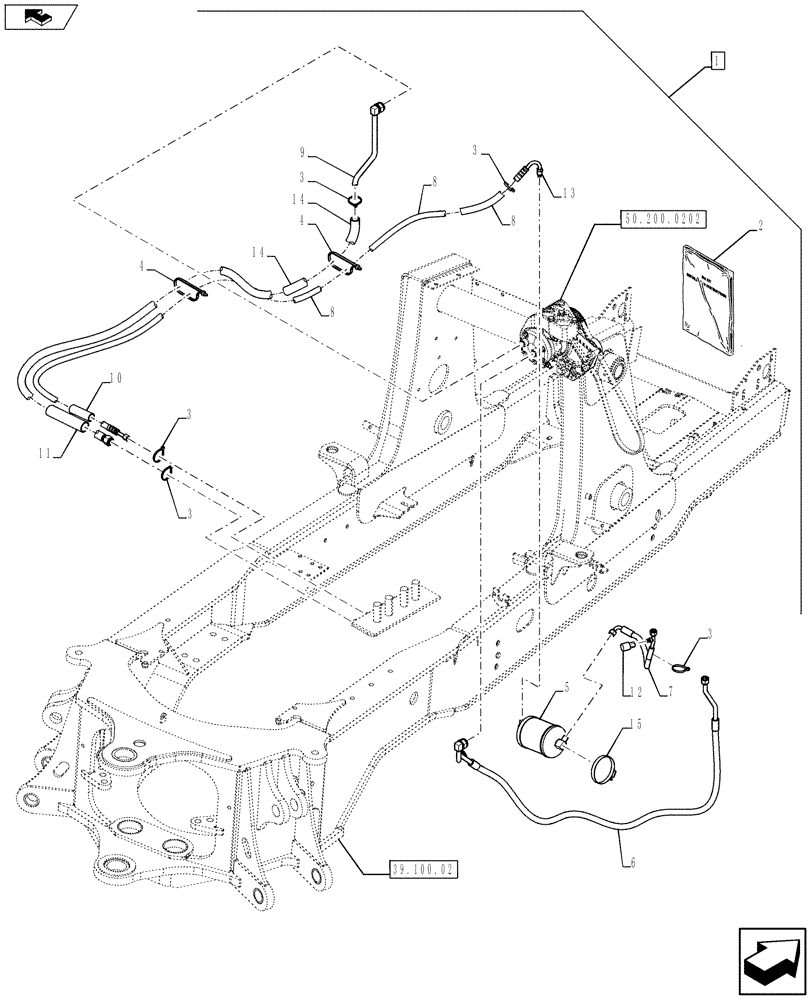
84499063

KIT

A/C HPCR, Incl 2 - 15

1шт.

See Ref. 88.050.01 [02] to 88.050.01 [05]

1шт.

Refer to Installation Instructions for Correct Assembly Procedure

1шт.

2

84499062

INSTRUCTION

1шт.

3

L11541

CABLE TIE,203.2mm L, Nylon

23шт.

4

L18331

CABLE TIE,375.9mm L, Nylon, Black

20шт.

5

86984155

RECEIVER-DRYER

1шт.

6

84515234

A/C HOSE,1830mm L

1шт.

7

87630218

A/C HOSE,340mm L

1шт.

8

191704A1

HOSE PROTECTION,19mm ID x 25mm OD x 460mm L

3шт.

9

84490123

A/C HOSE,2479mm L

1шт.

10

84522912

HOSE PROTECTION,19.1mm ID x 2670mm L

1шт.

11

87726951

HOSE PROTECTION,26.3mm ID x 1200mm L

1шт.

12

232948A1

SWITCH, A/C HIGH PRE

1шт.

13

84418866

HOSE,8mm ID x 2787mm L

1шт.

14

191703A1

HOSE PROTECTION,28mm ID x 34mm OD x 400mm L

2шт.

15

214-1464

HOSE CLAMP,#64, 3.56" - 4.5", Type F Worm

2шт.

Выбрано товаров: 17