Качественные детали и логистика
Оригинальные и аналоговые запчасти с доставкой по России, Казахстану и Беларуси
©2022 PartSell ООО "Система" ИНН 2463123282 ОГРН 1212400004838
Центральный офис: г. Красноярск, Академика Киренского, д.87, пом.4
Телефон: 8 (800) 777-65-74 Email: zakaz@partsell.ru
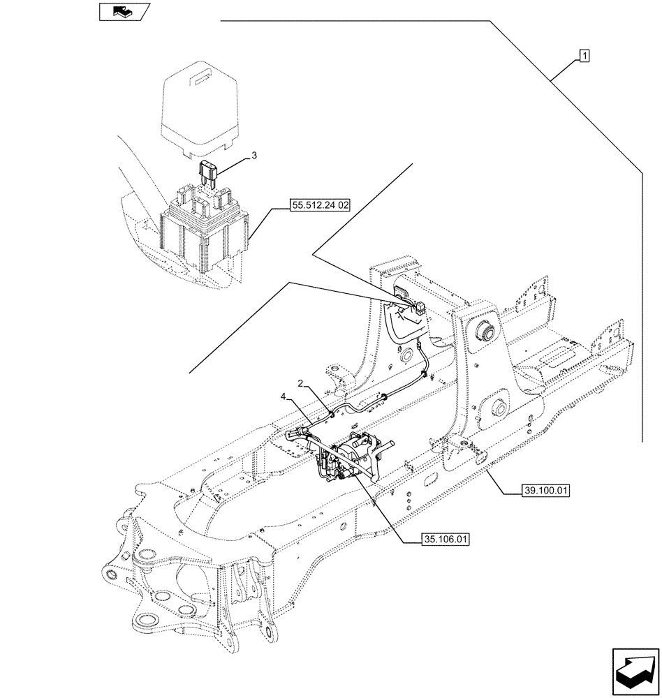
(88.055.08[02]) - DIA KIT, COLD START AID, MECH
№
Артикул
Название
Примечание
Количество
1
47361925
CONSTRUCTION DIA
Cold Start Aid Mech, Incl 2 - 4
1шт.
See DIA KIT Composition from Figure 88.055.08 [01] to Figure 88.055.08 [02]
Refer to Installation Instructions for Correct Assembly Procedure
2
L11541
CABLE TIE,203.2mm L, Nylon
3шт.
3
121411A1
FUSE,7.5A, Mini, Brown
4
84526859
JUMPER
Выбрано товаров: 0